Curiosii for ever!
: Car repair manuals for everyone.
Home
>>
Ford
>>
1999
>>
Taurus V8-3.4L VIN N SHO
>>
Repair and Diagnosis
>>
Diagrams
>>
Exploded Views
>>
Automatic Transmission/Transaxle
>>
AX4N
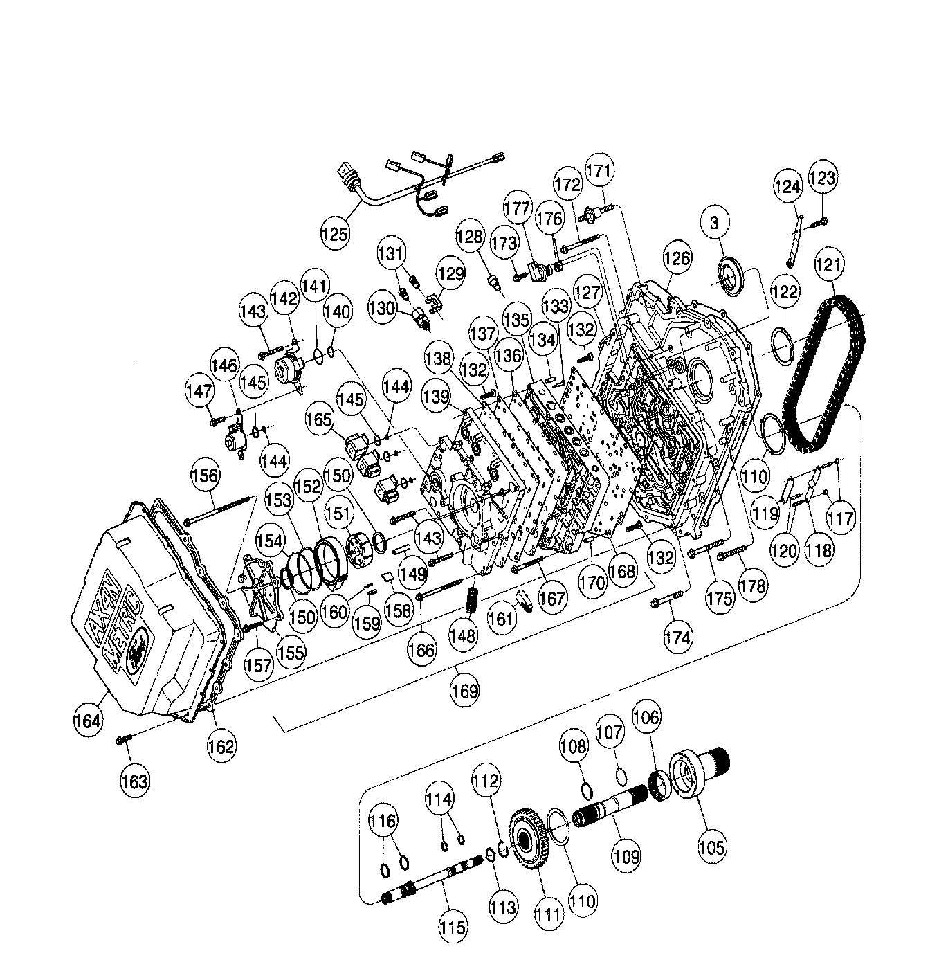
AX4N
1 Of 9:
2 Of 9:
3 Of 9:
4 Of 9:
5 Of 9:
6 Of 9:
7 Of 9:
8 Of 9:
9 Of 9:
Transaxle, Automatic, AX4N-Disassembled View