Curiosii for ever!: Car repair manuals for everyone.

Cruise Control Servo Cable: Service and Repair

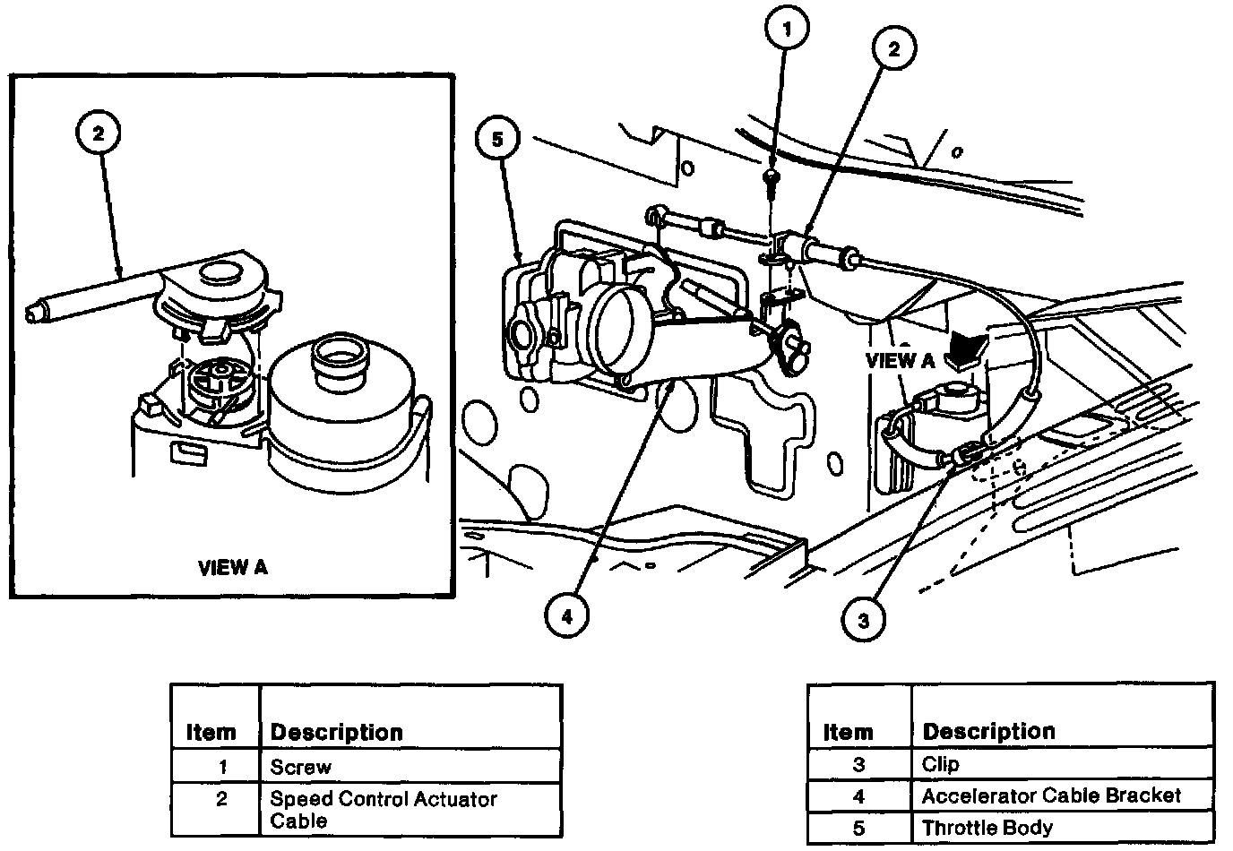
REMOVAL
1. Remove the two screws retaining the accelerator control splash shield to accelerator cable bracket. Remove the accelerator control splash shield.
2. Remove screw attaching speed control actuator cable to accelerator cable bracket.







3. Remove speed control actuator cable from throttle body.







4. Remove speed control actuator cable cap from the speed control servo by pressing cap locking tab and rotating the cap counterclockwise.







5. Remove speed control actuator cable slug from speed control servo pulley. Gently push actuator cable slug past retaining spring using a small screwdriver.
6. Remove actuator cable retention clip on fender well.
7. Remove speed control actuator cable from vehicle.

INSTALLATION
1. Make sure rubber seal is fully seated on speed control actuator cable cap.







2. Lock speed control actuator cable ball slug into speed control servo pulley slot.

NOTE: Incorrect wrapping of speed control actuator cable core wire around speed control servo pulley may result in a high idle condition. Make sure throttle lever is at idle position after speed control actuator cable installation.

3. Pull on throttle attachment end of speed control cable to draw cable cap onto speed control servo pulley.
4. Align speed control actuator cable cap tabs with slots in speed control servo housing. Insert cap into the speed control servo and rotate clockwise until the locking arm engages.
5. Snap speed control actuator cable onto throttle body lever mailhead attachment and install screw at accelerator cable bracket. Tighten to 3-5 Nm (27-44 lb-in).
6. Install accelerator control splash shield to accelerator cable bracket. Tighten retaining screws to 5-7 Nm (44-62 lb-in).
7. Make sure speed control actuator cable is routed and retained properly.
8. Adjust the actuator cable.