Curiosii for ever!
: Car repair manuals for everyone.
Home
>>
Ford
>>
1999
>>
Escort ZX2 L4-2.0L DOHC VIN 3
>>
Repair and Diagnosis
>>
Diagrams
>>
Exploded Views
>>
Engine
>>
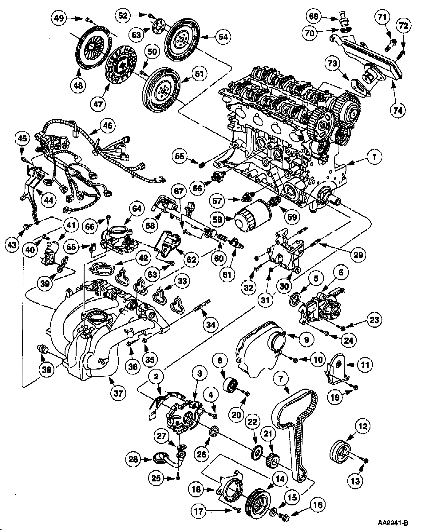
Lower Engine Components
Lower Engine Components
Lower Engine Components (1 Of 2):
Lower Engine Components (2 Of 2):