Curiosii for ever!
: Car repair manuals for everyone.
Home
>>
Ford
>>
1998
>>
Taurus V8-3.4L VIN N SHO
>>
Repair and Diagnosis
>>
Powertrain Management
>>
Computers and Control Systems
>>
Testing and Inspection
>>
Pinpoint Tests
>>
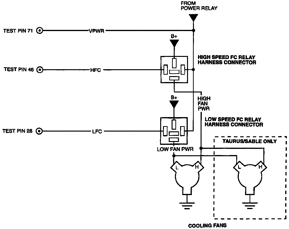
KF - Fan Control (FC) Relay
>>
Pinpoint Test Schematics
Pinpoint Test Schematics