Curiosii for ever!
: Car repair manuals for everyone.
Home
>>
Ford
>>
1998
>>
Taurus V8-3.4L VIN N SHO
>>
Repair and Diagnosis
>>
Diagrams
>>
Exploded Views
>>
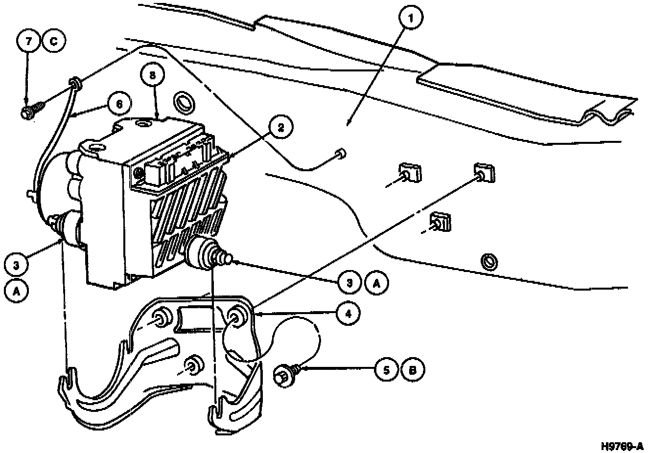
Electronic Brake Control Module
Electronic Brake Control Module
Part 1 0f 2:
Part 2 Of 2: