Curiosii for ever!
: Car repair manuals for everyone.
Home
>>
Ford
>>
1998
>>
Taurus V6-3.0L VIN 2 Flex Fuel
>>
Repair and Diagnosis
>>
Powertrain Management
>>
Computers and Control Systems
>>
Testing and Inspection
>>
Pinpoint Tests
>>
X - Constant Control Relay Module (CCRM)
>>
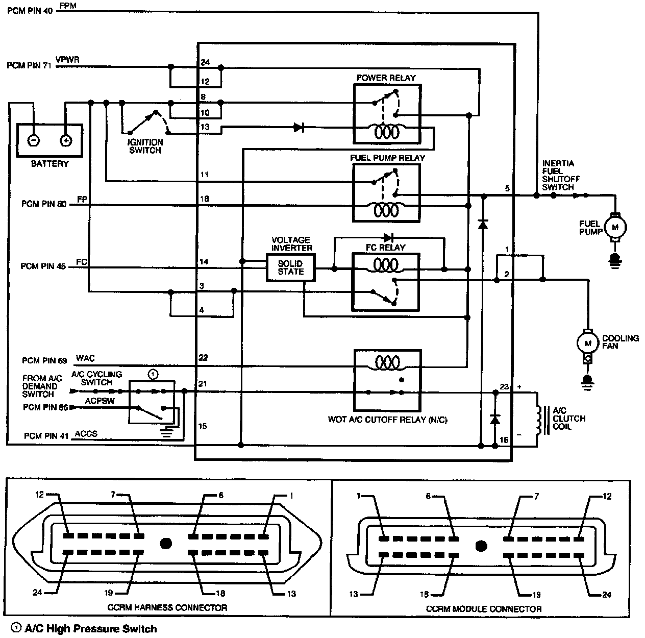
Test Schematic
Test Schematic