Curiosii for ever!
: Car repair manuals for everyone.
Home
>>
Ford
>>
1998
>>
Taurus V6-3.0L VIN 2 Flex Fuel
>>
Repair and Diagnosis
>>
Diagrams
>>
Exploded Views
>>
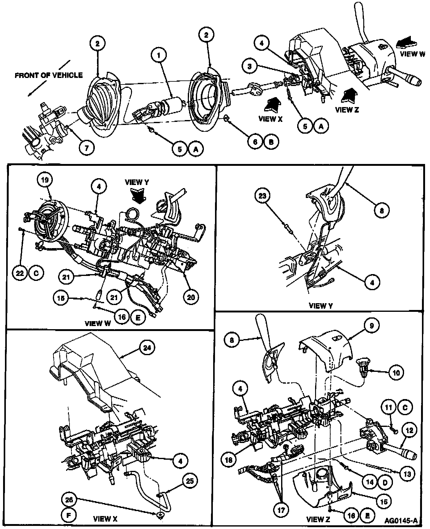
Steering Column
>>
With Column Shift
With Column Shift
Part 1 Of 2:
Part 2 Of 2: