Curiosii for ever!: Car repair manuals for everyone.

Wiper Control Module: Service and Repair






REMOVAL and INSTALLATION

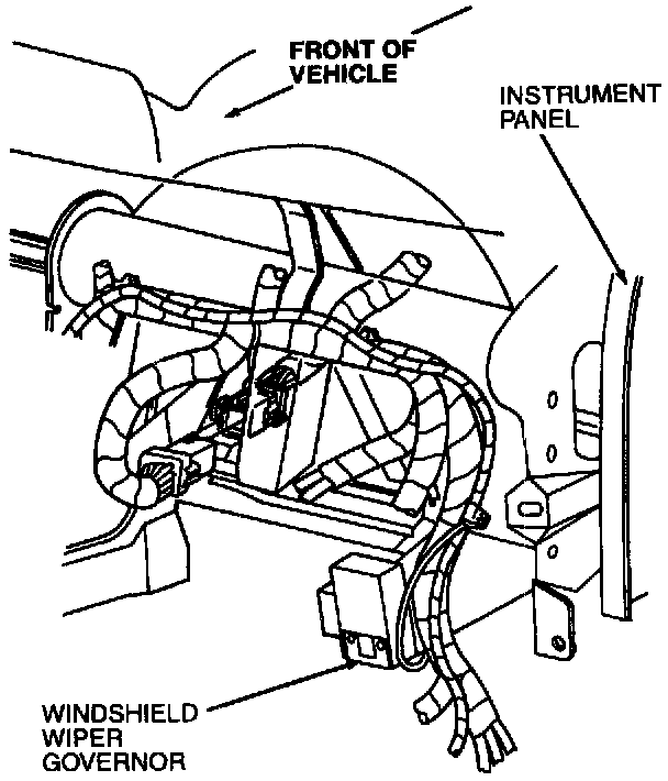
NOTE: The windshield wiper governor is located behind the instrument panel, near the top of LH cowl panels.

1. Disconnect battery ground cable.
2. Disconnect harness connector from windshield wiper governor.
3. Remove windshield wiper governor from bracket.
4. To install, reverse Removal procedure. Check wiper system operation.