Curiosii for ever!: Car repair manuals for everyone.

Torque Specifications





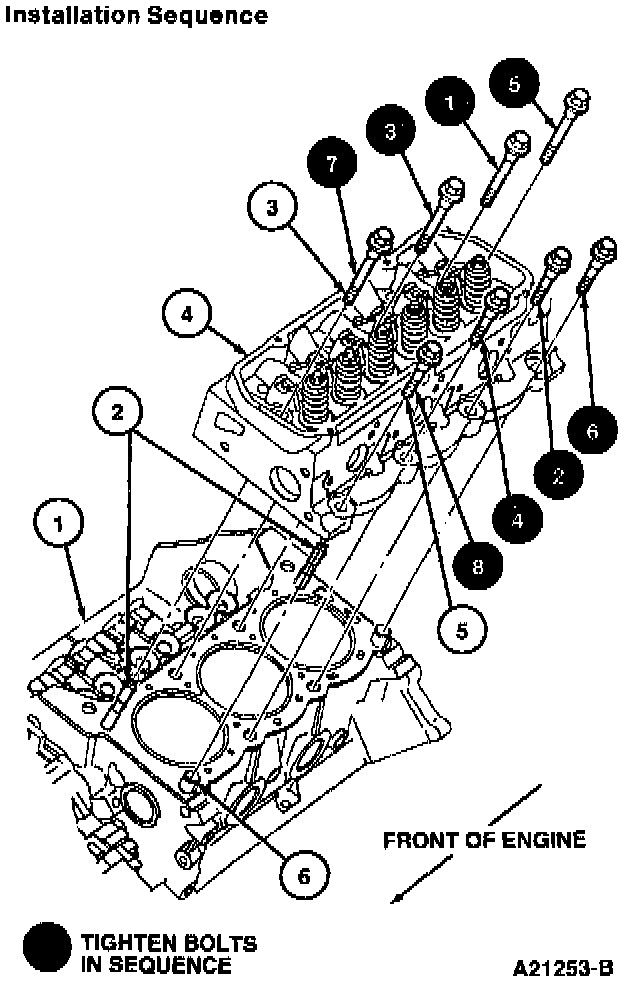
Always use new cylinder head bolts to ensure a leak-tight assembly. Torque retention with used bolts can vary, which may result in coolant or compression leakage at the cylinder head mating surface area.

Tighten cylinder head retaining bolts in numerical sequence in four steps as follows:
Step 1: 20 Nm (15 ft. lbs.).
Step 2: 40 Nm (29 ft. lbs.).
Step 3: 50 Nm (36 ft. lbs.).

CAUTION: Do NOT loosen all of the bolts at the same time; only work on ONE bolt at a time or damage to engine or leakage may occur.

Step 4: Loosen one retaining bolt, two to three revolutions and retighten as follows:
A. Tighten long bolts to 40-50 Nm (29-37 ft. lbs.).
B. Tighten short bolts to 20-30 Nm (15-22 ft. lbs.).
C. Rotate an additional 180°.
D. Go to next bolt in sequence.