Curiosii for ever!: Car repair manuals for everyone.

Air Flow Meter/Sensor: Service and Repair

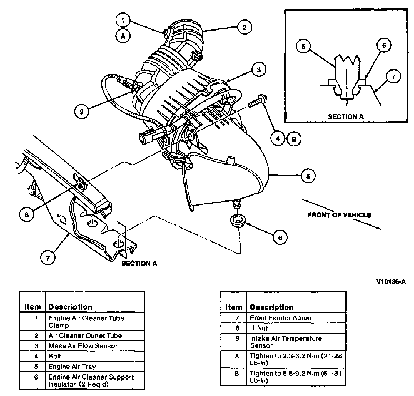
3.8L Engine Shown, 4.6L Similar:






CAUTION: The mass air flow sensor hot wire sensing element and housing are calibrated as a unit and must be serviced as a complete assembly. Do not damage the sensing element (internal to housing) or possible failure of the Mass Air Flow sensor (MAF sensor) may occur.

REMOVAL
1. Disconnect battery ground cable.
2. Disconnect engine control sensor wiring from mass air flow sensor and Intake Air Temperature sensor (IAT sensor).
3. Loosen engine air cleaner tube clamps on air cleaner outlet tube. Disconnect air cleaner outlet tube from mass air flow sensor.
4. Remove mass air flow sensor from engine air tray and remove mass air flow sensor from vehicle.

INSTALLATION
1. Follow removal procedure in reverse order.

NOTE: The mass air flow sensor hot wire sensing element and housing are calibrated as a unit and must be serviced as a complete assembly. Do not damage the sensing element (internal to housing) or possible failure of mass air flow sensor may occur.

2. Align tab on mass air flow sensor with slot on engine air tray. Tighten engine air cleaner tube clamps to 2.3-3.2 Nm (21-28 lb-in). Connect engine control sensor wiring to the intake air temperature sensor and engine control sensor wiring.