Curiosii for ever!
: Car repair manuals for everyone.
Home
>>
Ford
>>
1998
>>
Escort ZX2 L4-2.0L DOHC VIN 3
>>
Repair and Diagnosis
>>
Powertrain Management
>>
Computers and Control Systems
>>
Relays and Modules - Computers and Control Systems
>>
Engine Control Module
>>
Locations
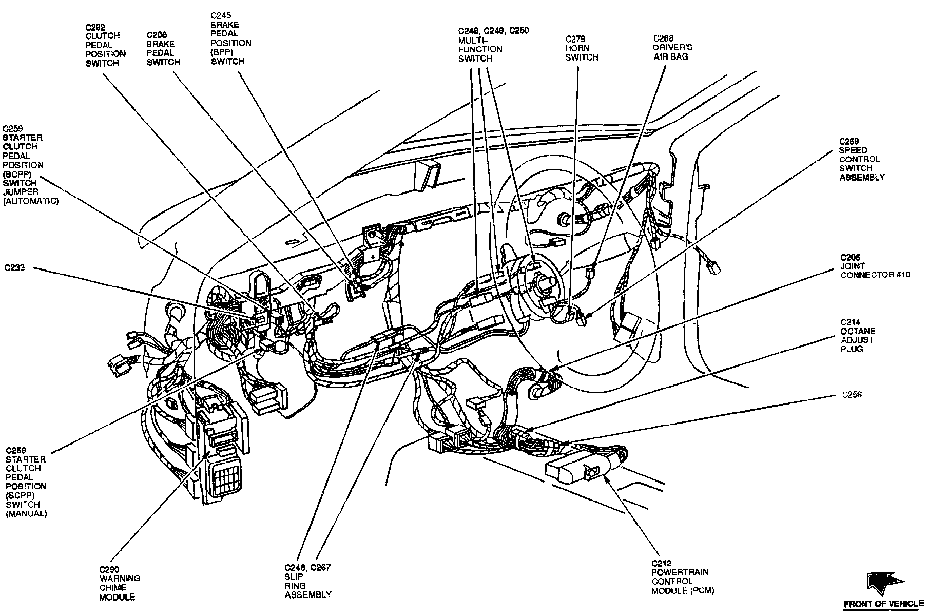
Engine Control Module: Locations
Cowl Views:
The Powertrain Control Module is located below center of the instrument panel.