Curiosii for ever!: Car repair manuals for everyone.

Electronic Brake Control Module: Service and Repair

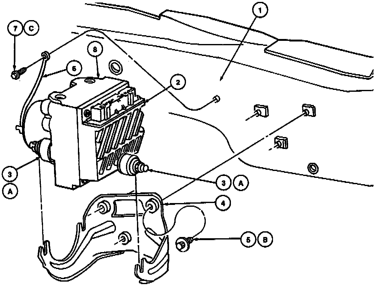
ABS HCU Mounting (Part 1 Of 2):




ABS HCU Mounting (Part 2 Of 2):






REMOVAL
1. Disconnect and remove battery from vehicle.
2. Remove battery tray and mounting bracket from vehicle.
3. Disconnect anti-lock brake wiring connector from anti-lock brake control module.
4. Remove two tubes from inlet ports and four tubes from outlet ports of anti-lock brake hydraulic control unit. Plug each port to prevent brake fluid from spilling onto paint and wiring.
5. Remove body screw from anti-lock pump motor ground strap.
6. Remove three nuts retaining anti-lock brake control module assembly to anti-lock brake hydraulic control bracket (2C304) and remove assembly from vehicle.

NOTE: Use caution removing control module from hydraulic control unit to avoid damage to the internal connector.

7. Remove five screws from anti-lock brake control module.
8. Remove anti-lock brake control module from anti-lock brake hydraulic control unit.

INSTALLATION
1. Position anti-lock brake control module onto anti-lock brake hydraulic control unit.
2. Install five screws.
3. Position anti-lock brake control module assembly into anti-lock brake hydraulic control bracket.
4. Install three retaining nuts and tighten to 16-24 Nm (12-17 ft.lbs).
5. Install anti-lock pump motor ground strap to frame rail. Tighten screw to 8-10 Nm (71-88 inch lbs.).
6. Connect four tubes to outlet ports on side of anti-lock brake hydraulic control unit and two tubes to inlet ports of anti-lock brake hydraulic control unit and tighten tube nuts to 14-24 Nm (11-17 ft.lbs).
7. Connect connector to anti-lock brake control module. Tighten connector retaining bolt to 4.8 Nm (42 inch lbs.).
8. Install mounting bracket and battery tray.
9. Install battery and connect cables.
10. Bleed anti-lock brake control module. With ABS