Curiosii for ever!
: Car repair manuals for everyone.
Home
>>
Ford
>>
1997
>>
Mustang V6-3.8L VIN 4
>>
Repair and Diagnosis
>>
Maintenance
>>
Service and Repair
>>
Engine
Engine
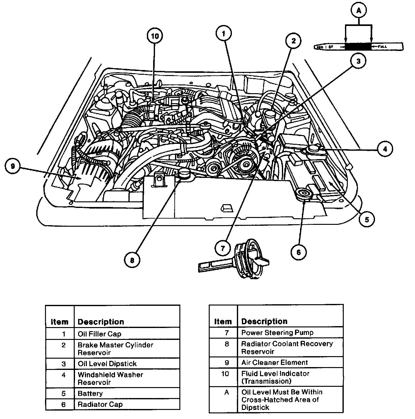
Typical chassis and engine service and lubrication points. Vehicles with optional or special equipment may have slightly different or additional lubrication points.