Curiosii for ever!: Car repair manuals for everyone.

Heater Core: Service and Repair



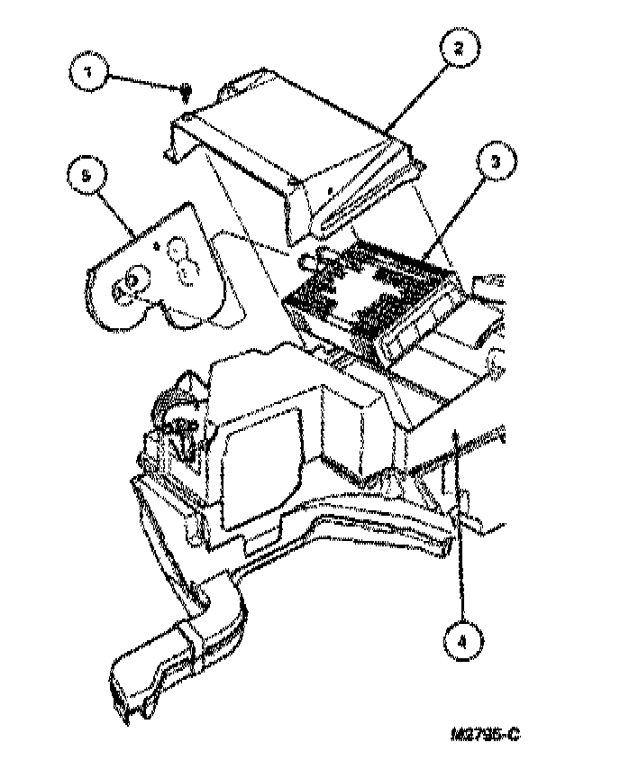
Heater Core

Removal

1. Remove A/C evaporator housing assembly as outlined.

2. Remove four heater core cover retaining screws. Remove heater core cover (18B300) from A/C evaporator housing (19850).

3. Remove heater dash panel seal (18529) from heater core tubes.

4. Lift heater core (18476) from A/C evaporator housing.

Heater Core:





1 - 3:





4 - 5:






Installation

1. Install new heater core case seal (18658).

2. Install heater core in A/C evaporator housing.

3. Install heater dash panel seal on heater core tubes.

4. PosItion heater core cover on A/C evaporator housing. Install four retaining screws.

5. Install A/C evaporator housing as an assembly as outlined.