Curiosii for ever!
: Car repair manuals for everyone.
Home
>>
Ford
>>
1996
>>
Aspire L4-81 1.3L SOHC
>>
Repair and Diagnosis
>>
Diagrams
>>
Connector Views
>>
Engine Control Module
>>
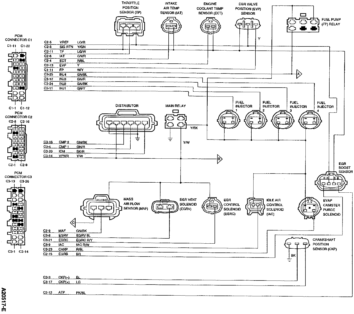
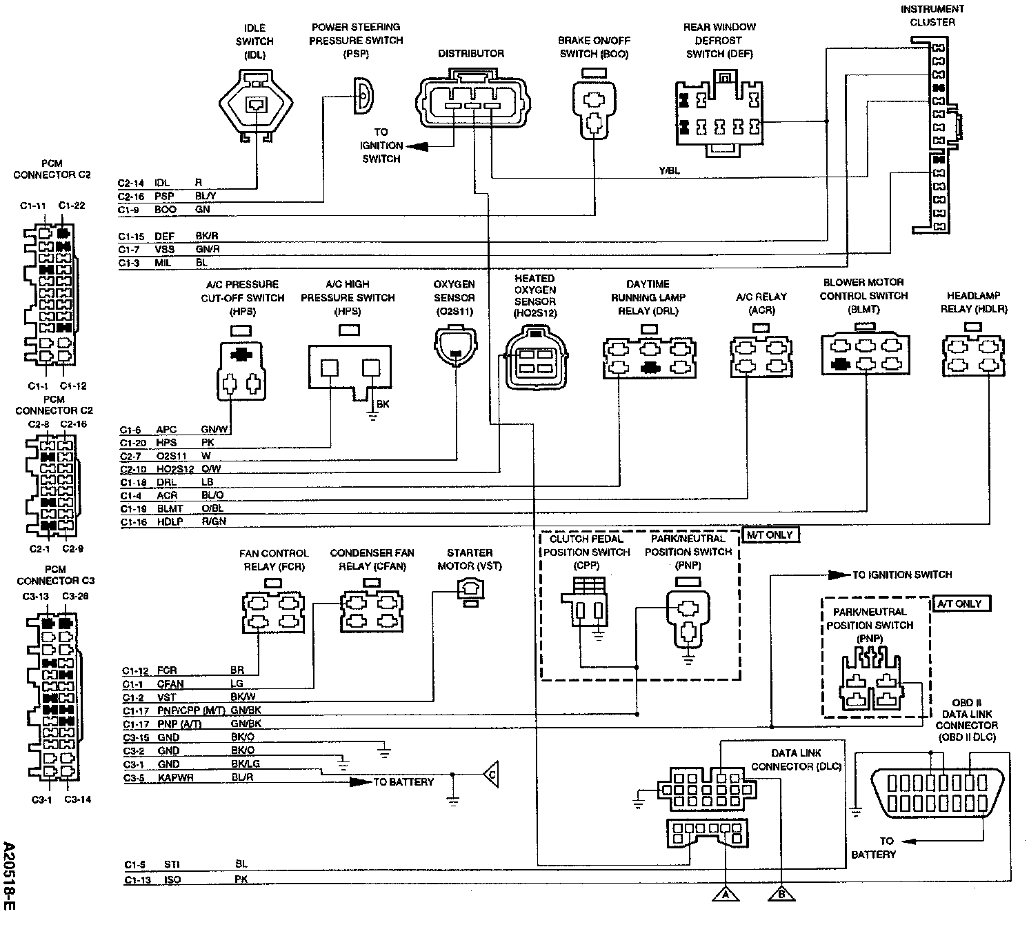
Block Diagrams and Connector Pin Usage
Block Diagrams and Connector Pin Usage
Electrical Schematic:
Electrical Schematics:
Powertrain Control Module (PCM) Connector Pin Usage:
Powertrain Control Module (PCM) Connector Pin Usage: