Curiosii for ever!
: Car repair manuals for everyone.
Home
>>
Ford
>>
1995
>>
Thunderbird V8-281 4.6L SOHC
>>
Repair and Diagnosis
>>
Relays and Modules
>>
Relays and Modules - Powertrain Management
>>
Relays and Modules - Computers and Control Systems
>>
Integrated Control Relay Module
>>
Diagrams
>>
Electrical Diagrams
Electrical Diagrams
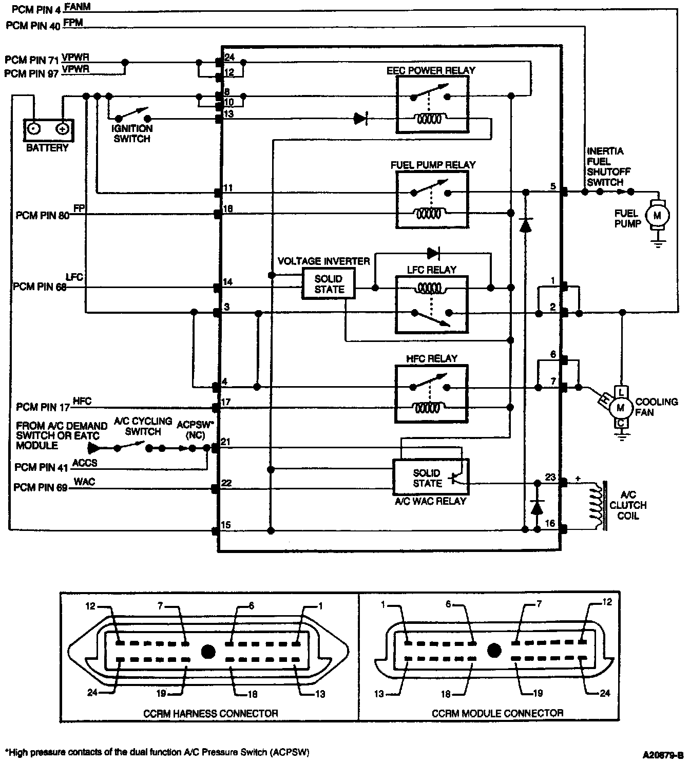
Constant Control Relay Module:
Constant Control Relay Module: