Curiosii for ever!
: Car repair manuals for everyone.
Home
>>
Ford
>>
1995
>>
Taurus V6-195 3.2L DOHC SHO
>>
Repair and Diagnosis
>>
Diagrams
>>
Connector Views
>>
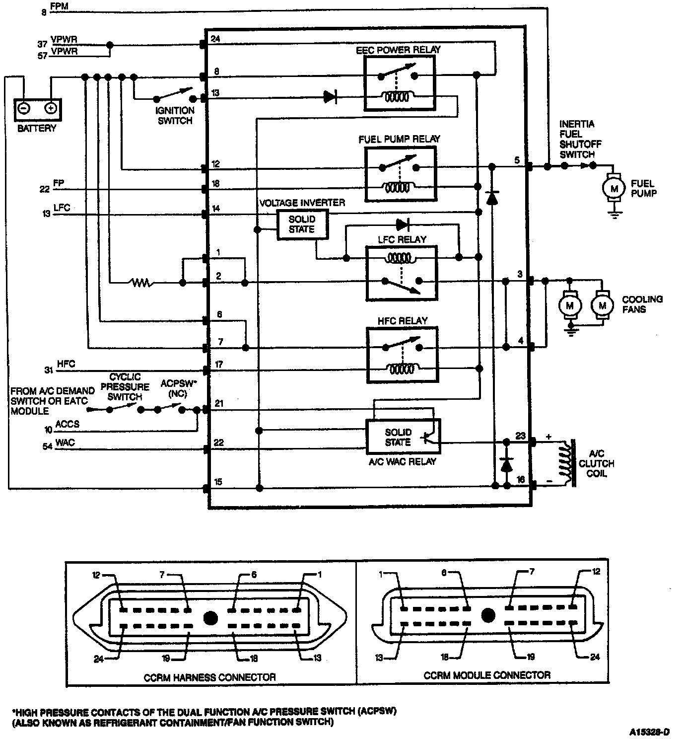
Radiator Cooling Fan Control Module
Radiator Cooling Fan Control Module
Constant Control Relay Module:
Constant Control Relay Module: