Curiosii for ever!
: Car repair manuals for everyone.
Home
>>
Ford
>>
1995
>>
Escort L4-116 1.9L SOHC
>>
Repair and Diagnosis
>>
Powertrain Management
>>
Ignition System
>>
Spark Plug
>>
Locations
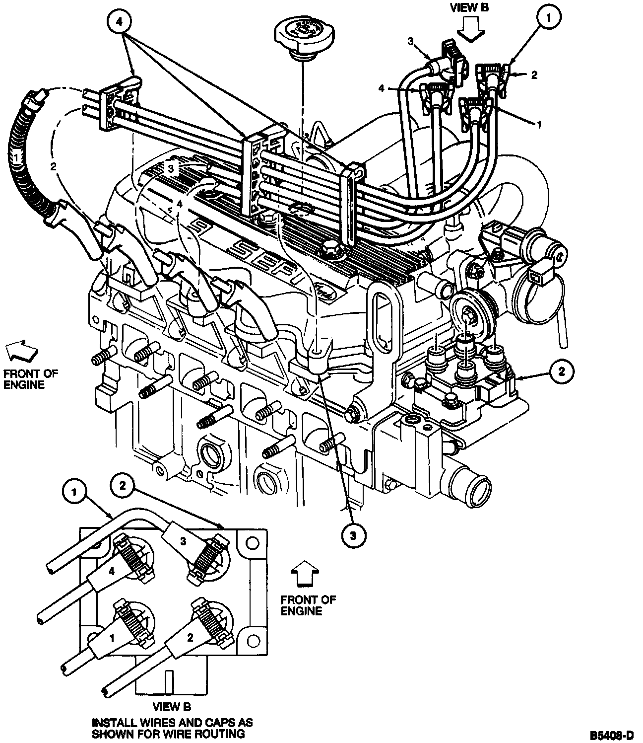
Spark Plug: Locations