Curiosii for ever!: Car repair manuals for everyone.

Air Temperature Sensor ( Ambient / Intake ): Service and Repair

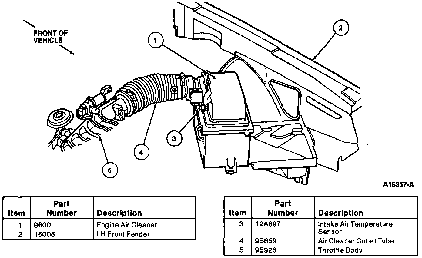
Intake Air Temperature Sensor:







REMOVAL

NOTE: The Intake Air Temperature (IAT) sensor is located in the engine air cleaner cover. When installing, use care not to damage plastic threads.

1. Disconnect battery ground cable.

2. Disconnect engine control sensor wiring from IAT sensor.

3. Turn IAT sensor 90 degrees counterclockwise and remove from engine air cleaner cover.

4. Inspect IAT sensor O-ring for damage or deterioration and replace as necessary.

INSTALLATION

To install, reverse removal procedure.

NOTE: When the battery has been disconnected and reconnected, some abnormal drive symptoms may occur while the powertrain control module relearns its adaptive strategy. The vehicle may need to be driven 10 miles or more to relearn the adaptive strategy.