Curiosii for ever!
: Car repair manuals for everyone.
Home
>>
Ford
>>
1994
>>
Taurus V6-182 3.0L DOHC SHO
>>
Repair and Diagnosis
>>
Powertrain Management
>>
Computers and Control Systems
>>
Testing and Inspection
>>
Pinpoint Tests
>>
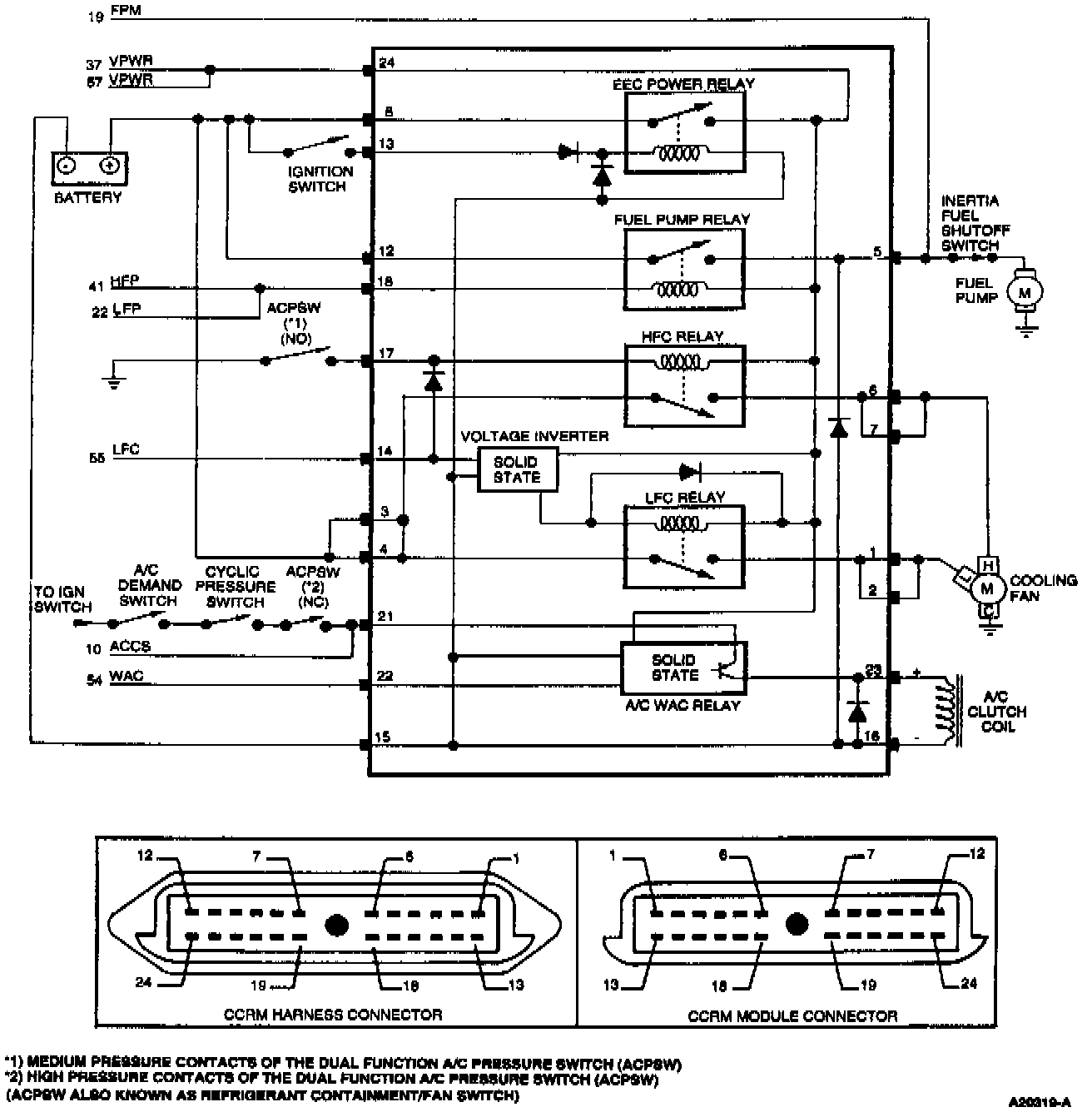
X - Constant Control Relay Module (CCRM)
>>
X - Testing Schematic
X - Testing Schematic
Constant Control Relay Module Wiring: