Curiosii for ever!
: Car repair manuals for everyone.
Home
>>
Ford
>>
1994
>>
Mustang V6-232 3.8L
>>
Repair and Diagnosis
>>
Powertrain Management
>>
Ignition System
>>
Ignition Coil
>>
Diagrams
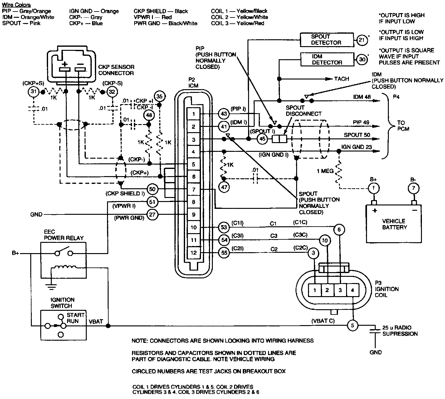
Ignition Coil: Diagrams
Wiring Schematic: