Curiosii for ever!: Car repair manuals for everyone.

Heater Core: Service and Repair



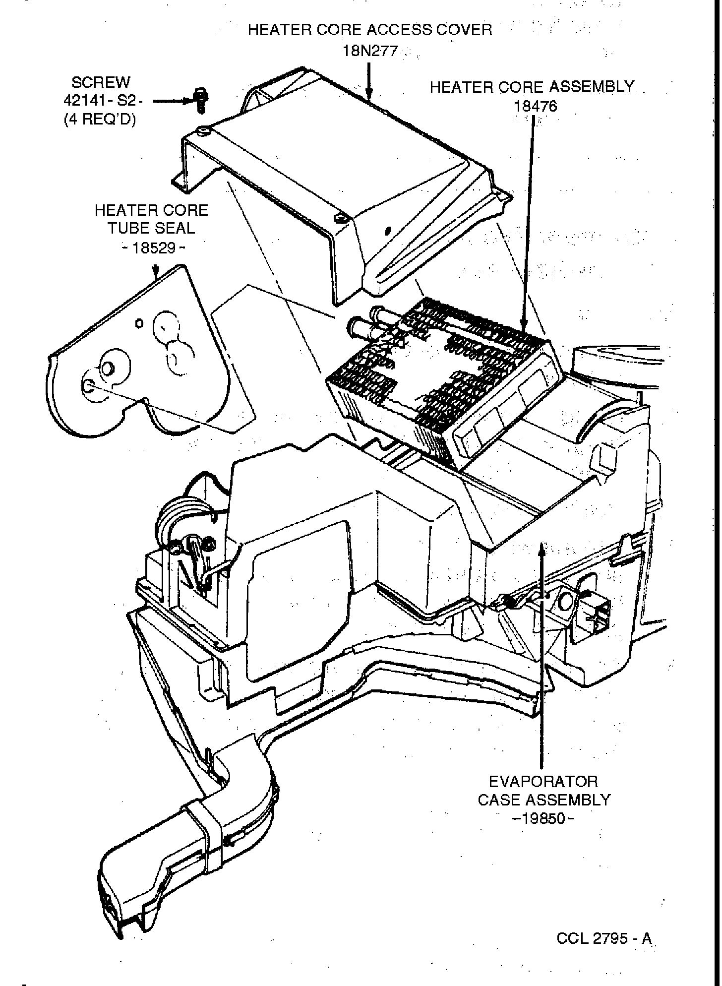
Heater Core

Removal

1. Remove heater case from vehicle. Service and Repair
2. Remove four heater core access cover retaining screws, and remove access cover from case.

Heater Core Removal:






3. Lift heater core and seal from case.
4. Remove seal from heater core tubes.


Installation

1. Install heater core tube seal on heater core tubes.

2. Inspect heater core sealer in heater case. Replace, if necessary with Caulking Cord D6AZ-19560-A (ESB-M4G32-A) or equivalent.

3. Install heater core in case with seals on outside of case.

4. Position heater core access cover on case. Install four retaining screws.

5. Install heater assembly as outlined.