Curiosii for ever!: Car repair manuals for everyone.

Air Flow Meter/Sensor: Service and Repair

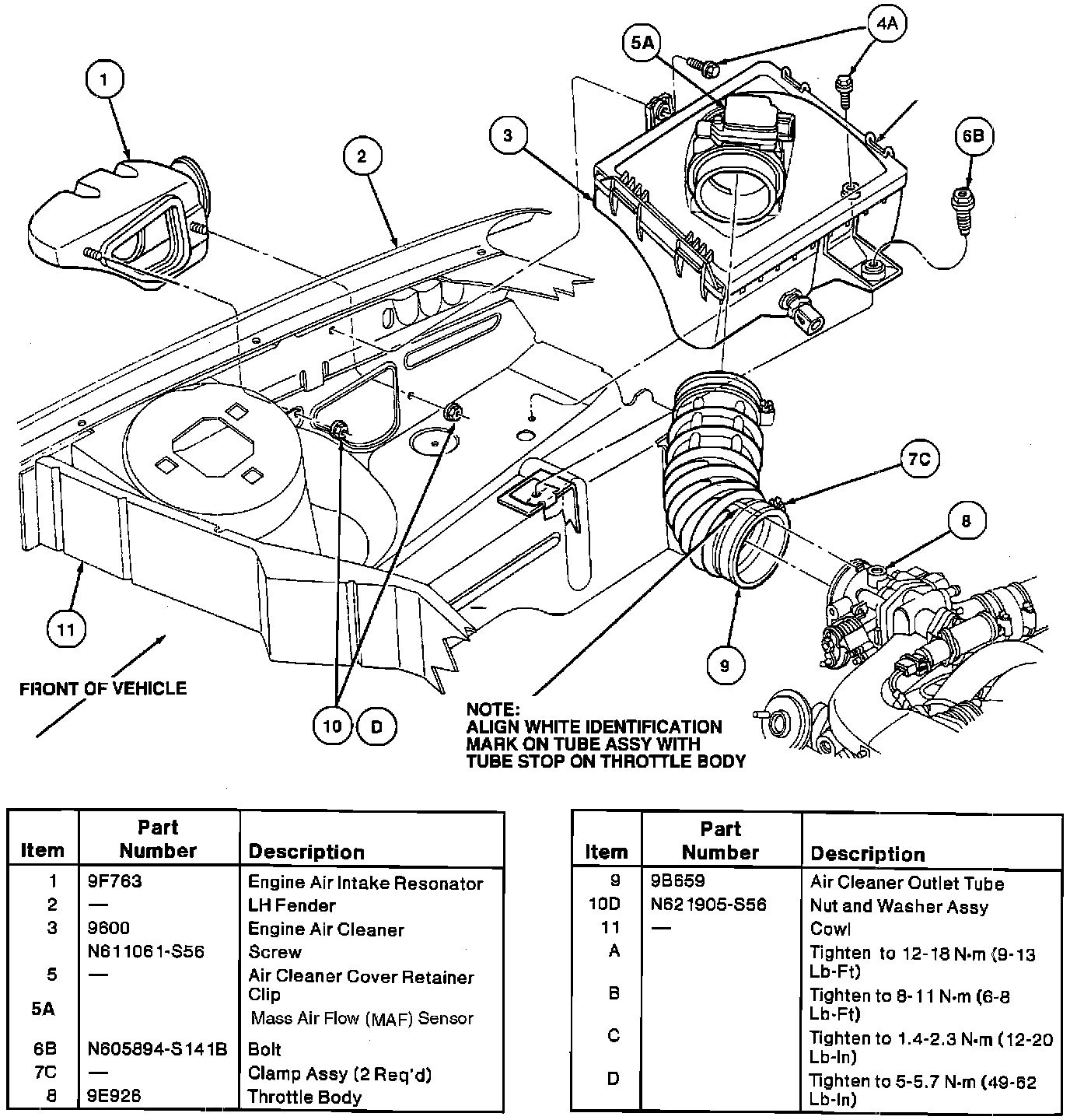
REMOVAL

Air Induction System:





1. Loosen retaining clamps and remove the air cleaner outlet tubes.
2. Disconnect the Mass Air Flow (MAF) sensor electrical connector.
3. Remove the sensor mounting screws.
4. Remove the MAF sensor assembly.



INSTALLATION


1. Position the MAF sensor.
2. Install the attaching screws. Tighten the screws to 6-9 ft lb (8-12 Nm).
3. Connect the sensor electrical connector.
4. Install the air cleaner outlet tubes and tighten retaining clamps.