Curiosii for ever!: Car repair manuals for everyone.

Air Temperature Sensor ( Ambient / Intake ): Description and Operation

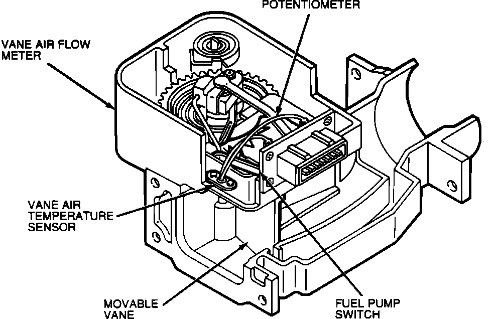
Vane Air Temperature (VAT) Sensor:






PURPOSE
The Vane Air Temperature (VAT) sensor measures inlet air temperature and provides an input signal to the ECA. The signal is used by the ECA in calculations for air/fuel ratio, fuel pressure, and idle speed.

LOCATION
Integral with vane air flow meter assembly.

OPERATION
Sensor is a device whose resistance changes with temperature. The ECA interprets these variations as temperature fluctuations.