Curiosii for ever!
: Car repair manuals for everyone.
Home
>>
Ford
>>
1992
>>
Mustang L4-140 2.3L SOHC
>>
Repair and Diagnosis
>>
Powertrain Management
>>
Computers and Control Systems
>>
Testing and Inspection
>>
Pinpoint Tests
>>
X - Integrated Relay Control Module
>>
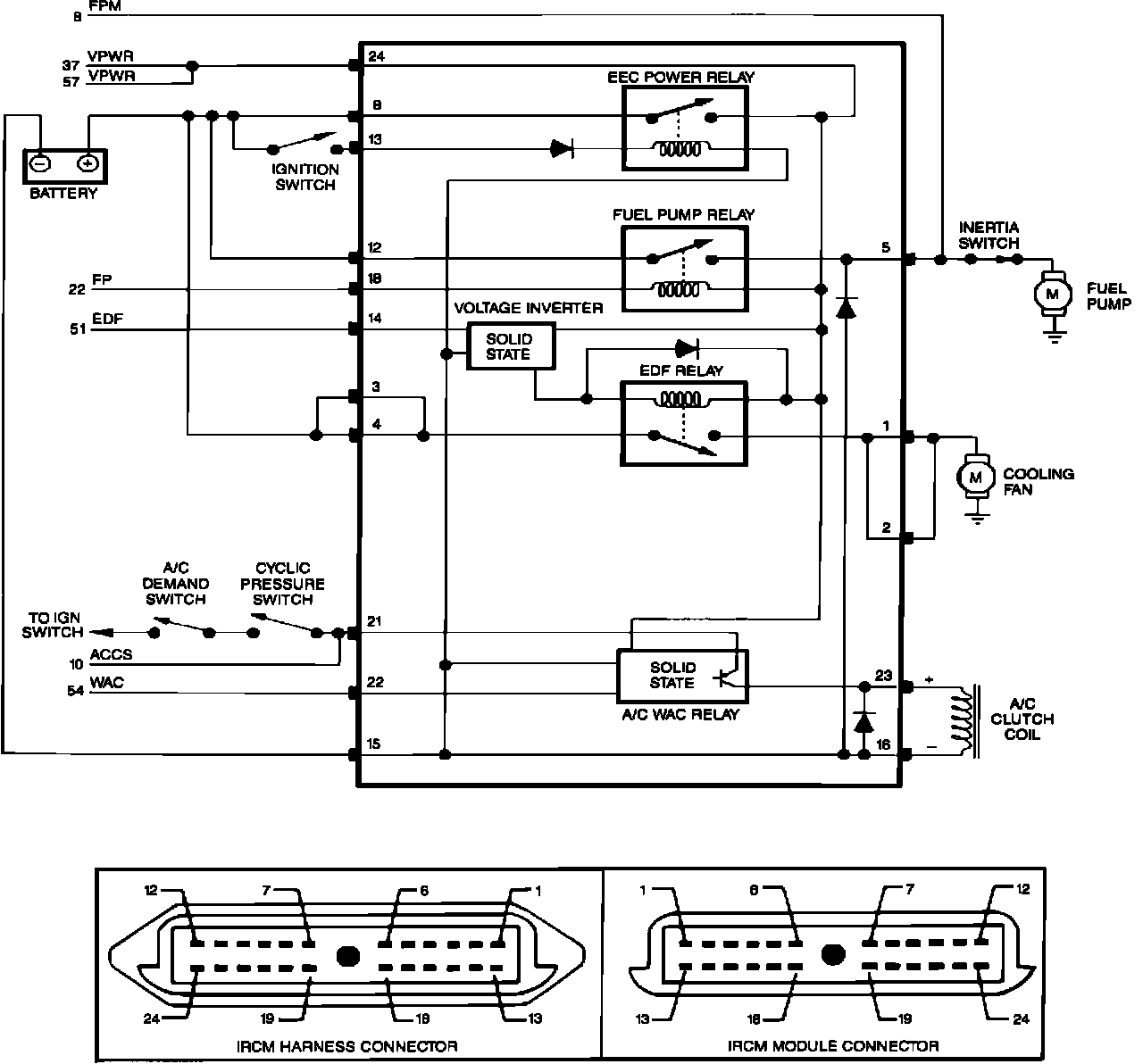
X - Testing Schematic
X - Testing Schematic
Integrated Relay Control Module: