Curiosii for ever!
: Car repair manuals for everyone.
Home
>>
Ford
>>
1992
>>
Escort L4-110 1.8L DOHC
>>
Repair and Diagnosis
>>
Heating and Air Conditioning
>>
Control Assembly
>>
Testing and Inspection
Control Assembly: Testing and Inspection
COMPONENT TESTING PROCEDURE
Component Testing Procedure:
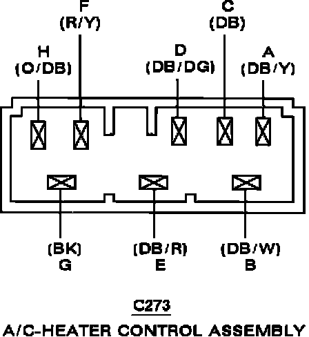
TERMINAL IDENTIFICATION
Terminal Locations:
SCHEMATIC
Schematic: