Curiosii for ever!
: Car repair manuals for everyone.
Home
>>
Ford
>>
1992
>>
Crown Victoria V8-281 4.6L SOHC
>>
Repair and Diagnosis
>>
Powertrain Management
>>
Computers and Control Systems
>>
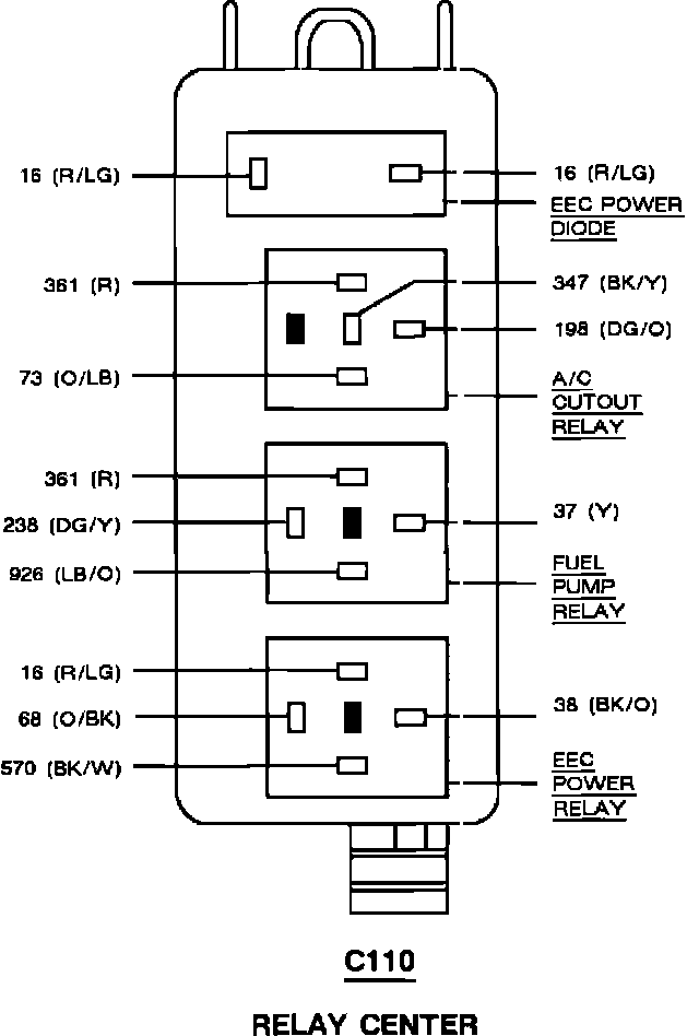
Main Relay (Computer/Fuel System)
>>
Diagrams
Main Relay (Computer/Fuel System): Diagrams
Connector Faces/Pinout Charts: