Curiosii for ever!
: Car repair manuals for everyone.
Home
>>
Ford
>>
1991
>>
Taurus V6-182 3.0L DOHC SHO
>>
Repair and Diagnosis
>>
Powertrain Management
>>
Computers and Control Systems
>>
Testing and Inspection
>>
Pinpoint Tests
>>
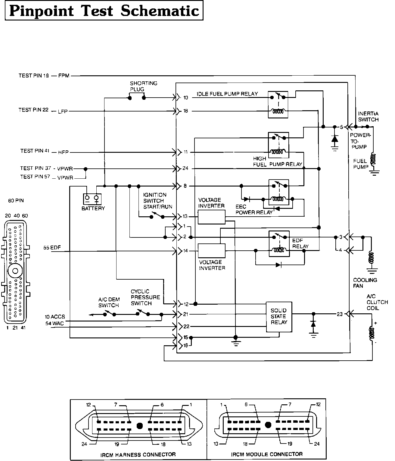
X - Integrated Relay Control Module
>>
X - Testing Schematic
X - Testing Schematic
Pinpoint Test Schematic: