Curiosii for ever!: Car repair manuals for everyone.

Radiator Cooling Fan Control Module




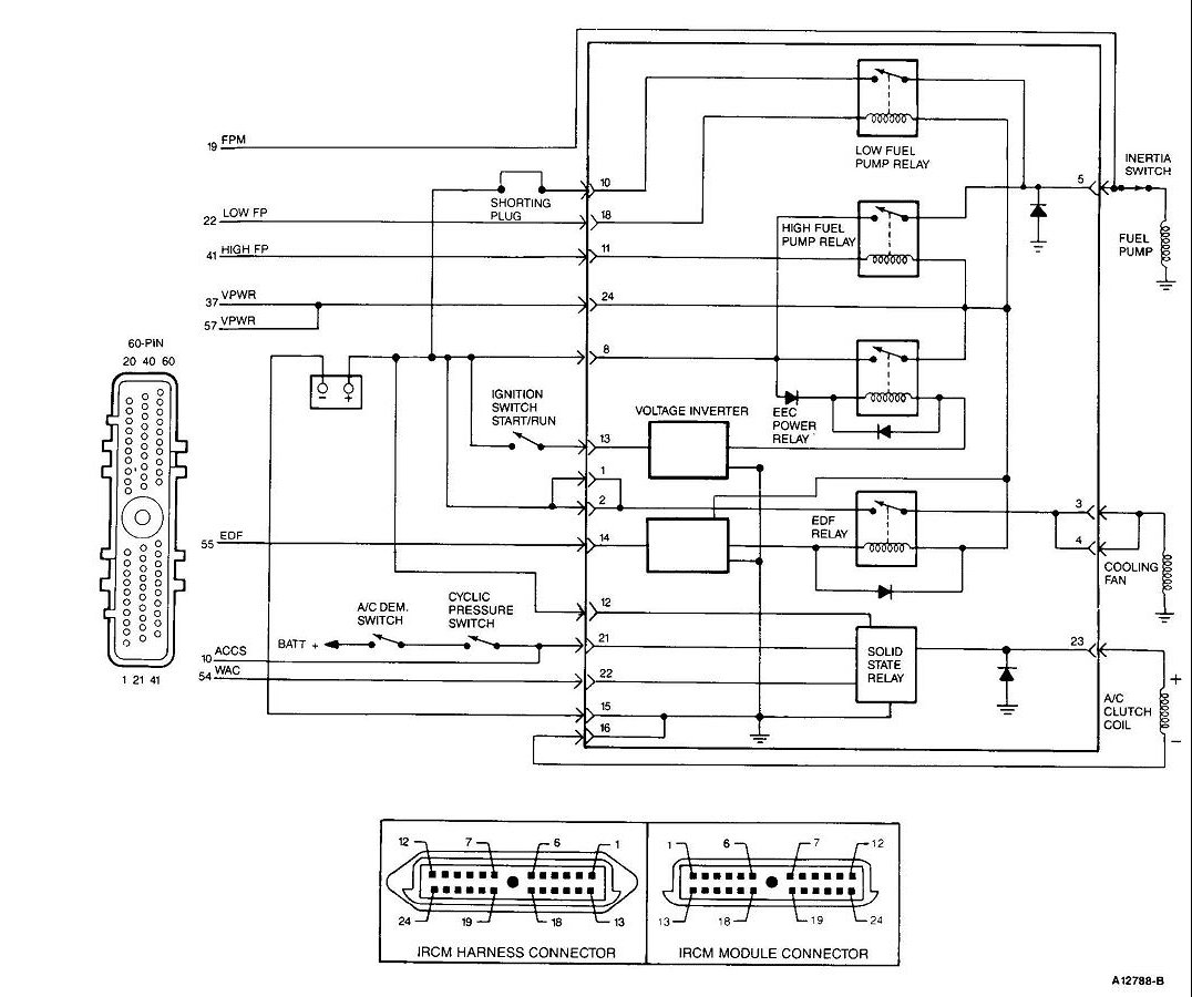
Integral Relay Control Module (IRCM)

IRCM (3.0 SHO):






IRCM (3.0 SHO) Pin Usage:






The Integral Relay Control Module (IRCM) interfaces with the EEC-IV processor to provide control of the cooling fan, A/C clutch, and the fuel pump.