Curiosii for ever!
: Car repair manuals for everyone.
Home
>>
Ford
>>
1991
>>
Mustang L4-140 2.3L SOHC
>>
Repair and Diagnosis
>>
Powertrain Management
>>
Computers and Control Systems
>>
Barometric Pressure Sensor
>>
Locations
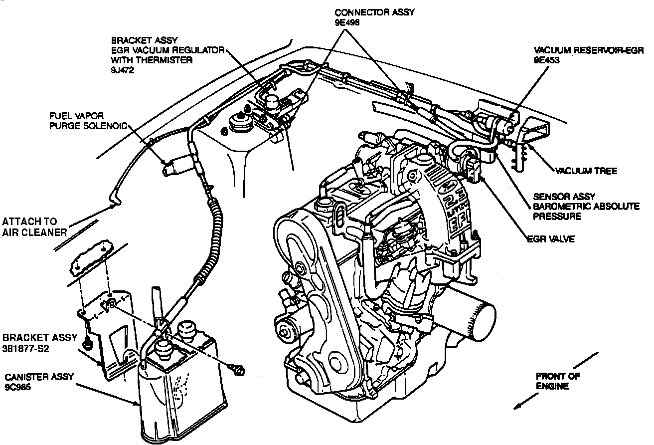
Barometric Pressure Sensor: Locations
Evaporative Canister Vent System:
Engine Compartment Components: