Curiosii for ever!: Car repair manuals for everyone.

Integrated Control Relay Module




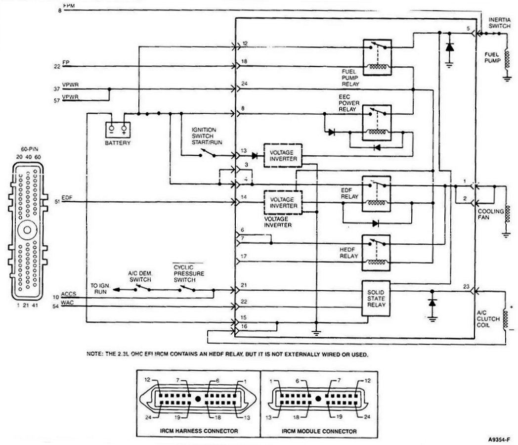
Integral Relay Control Module (IRCM)

IRCM (2.3L):






IRCM (2.3L) Pin Usage:






The Integral Relay Control Module (IRCM) interfaces with the EEC-IV processor to provide control of the cooling fan, A/C clutch, and the fuel pump.