Curiosii for ever!
: Car repair manuals for everyone.
Home
>>
Ford
>>
1991
>>
LTD Wagon V8-302 5.0L
>>
Repair and Diagnosis
>>
Diagrams
>>
Exploded Views
>>
Dashboard / Instrument Panel
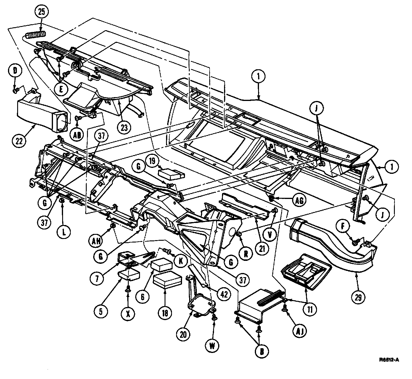
Dashboard / Instrument Panel
Instrument Panel - Front View:
Instrument Panel - Rear View:
Harness Installation:
Component Index: