Curiosii for ever!
: Car repair manuals for everyone.
Home
>>
Ford
>>
1990
>>
Taurus V6-182 3.0L DOHC SHO
>>
Repair and Diagnosis
>>
Diagrams
>>
Connector Views
>>
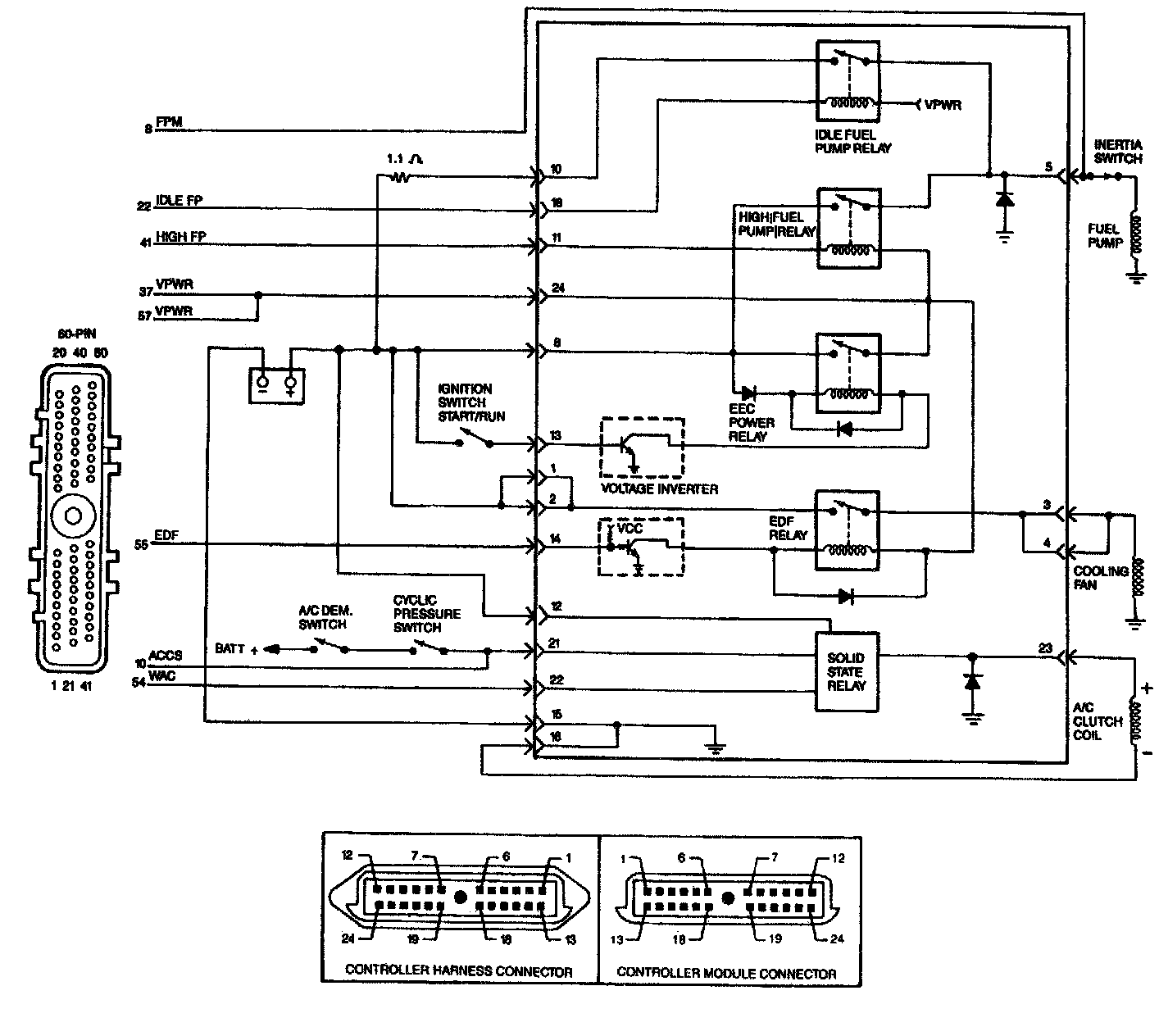
Integrated Control Relay Module
Integrated Control Relay Module
Integrated Relay Controller Module (IRCM) Schematic:
Integrated Relay Controller Module (IRCM) Pin Usage: