Curiosii for ever!
: Car repair manuals for everyone.
Home
>>
Ford
>>
1990
>>
Mustang V8-302 5.0L HO
>>
Repair and Diagnosis
>>
Powertrain Management
>>
Computers and Control Systems
>>
EGR Valve Position Sensor
>>
Locations
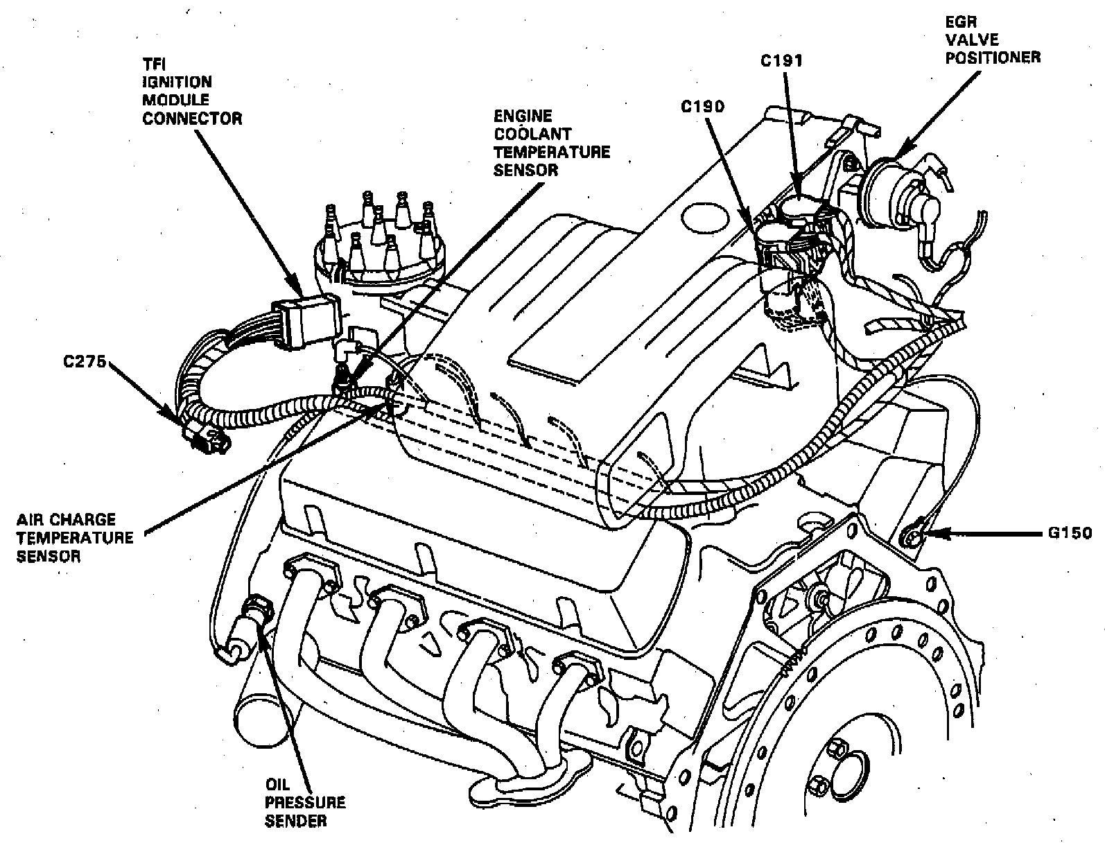
EGR Valve Position Sensor: Locations
LH Side Of Engine.:
Top LH Rear Of Engine
Applicable to: V8-302/5.0L Engine