Curiosii for ever!
: Car repair manuals for everyone.
Home
>>
Ford
>>
1990
>>
Mustang L4-140 2.3L SOHC
>>
Repair and Diagnosis
>>
Diagrams
>>
Exploded Views
>>
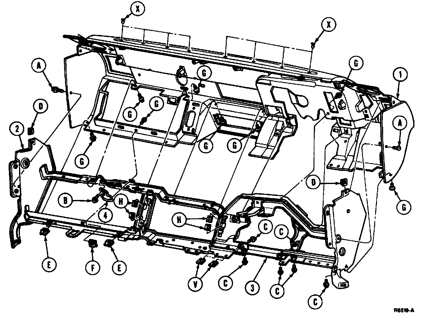
Dashboard / Instrument Panel
Dashboard / Instrument Panel
Front View:
Rear View:
Harness Installation:
Component Index: