Curiosii for ever!
: Car repair manuals for everyone.
Home
>>
Ford
>>
1989
>>
Festiva L4-81 1.3L SOHC 2V
>>
Repair and Diagnosis
>>
Powertrain Management
>>
Emission Control Systems
>>
Air Injection
>>
Testing and Inspection
>>
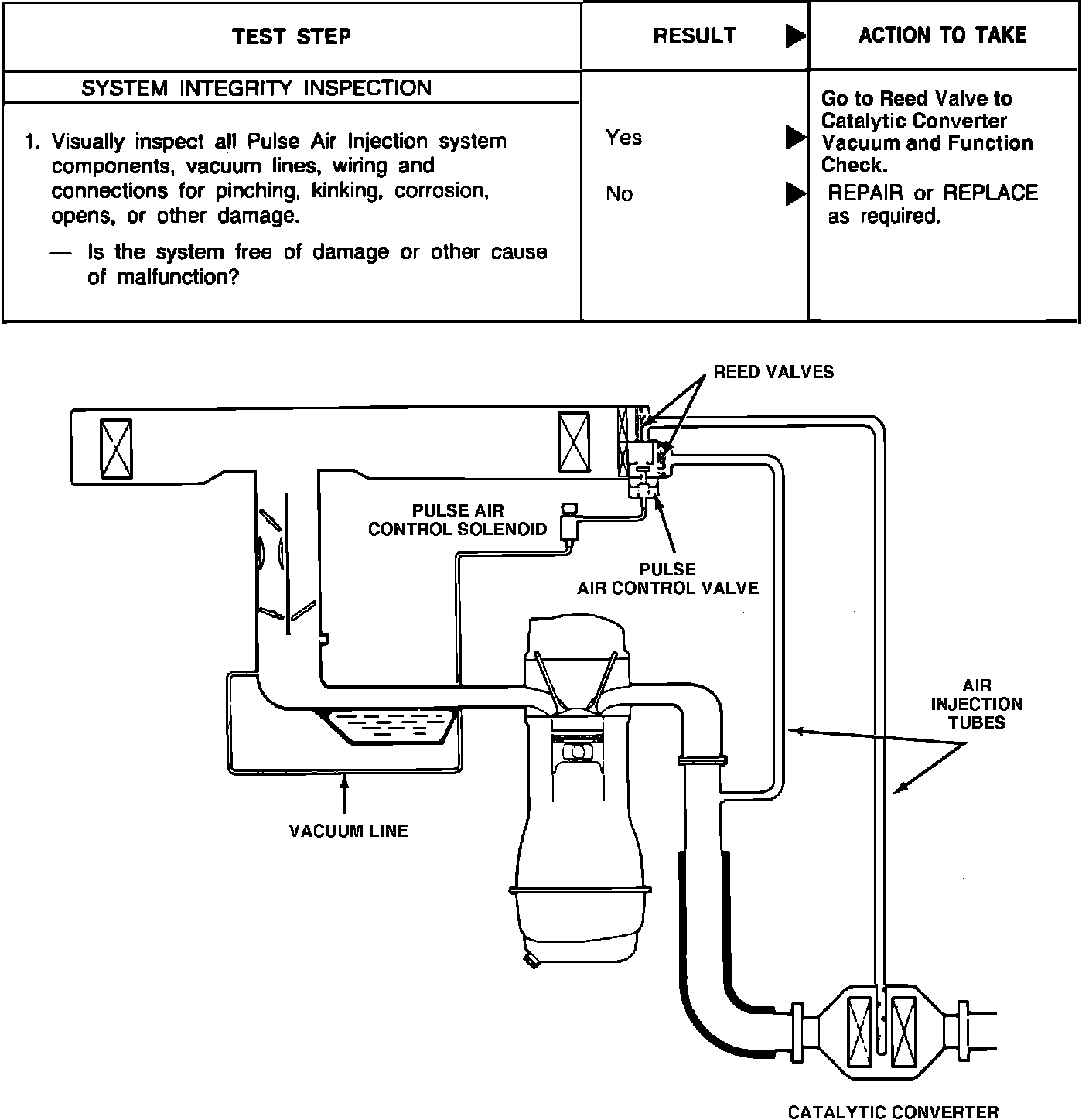
System Functional Test
System Functional Test
Pulse Air Injection: