Curiosii for ever!
: Car repair manuals for everyone.
Home
>>
Ford
>>
1988
>>
Thunderbird L4-140 2.3L SOHC Turbo
>>
Repair and Diagnosis
>>
Powertrain Management
>>
Computers and Control Systems
>>
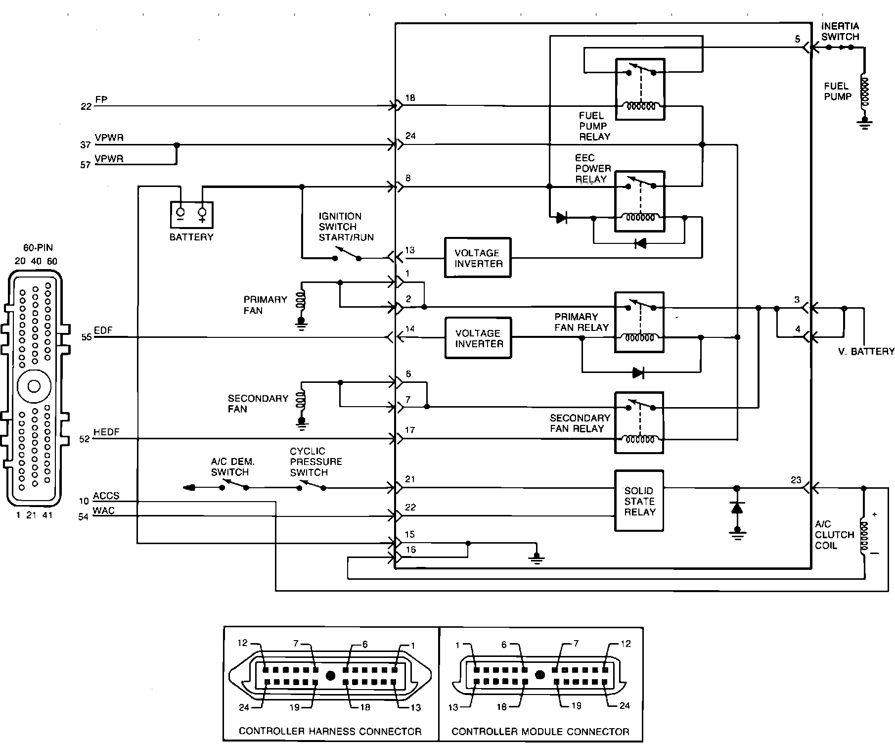
Integrated Control Relay Module
>>
Diagrams
>>
Electrical Diagrams
Electrical Diagrams