Curiosii for ever!
: Car repair manuals for everyone.
Home
>>
Ford
>>
1988
>>
Mustang V8-302 5.0L HO
>>
Repair and Diagnosis
>>
Powertrain Management
>>
Computers and Control Systems
>>
Coolant Temperature Sensor/Switch (For Computer)
>>
Locations
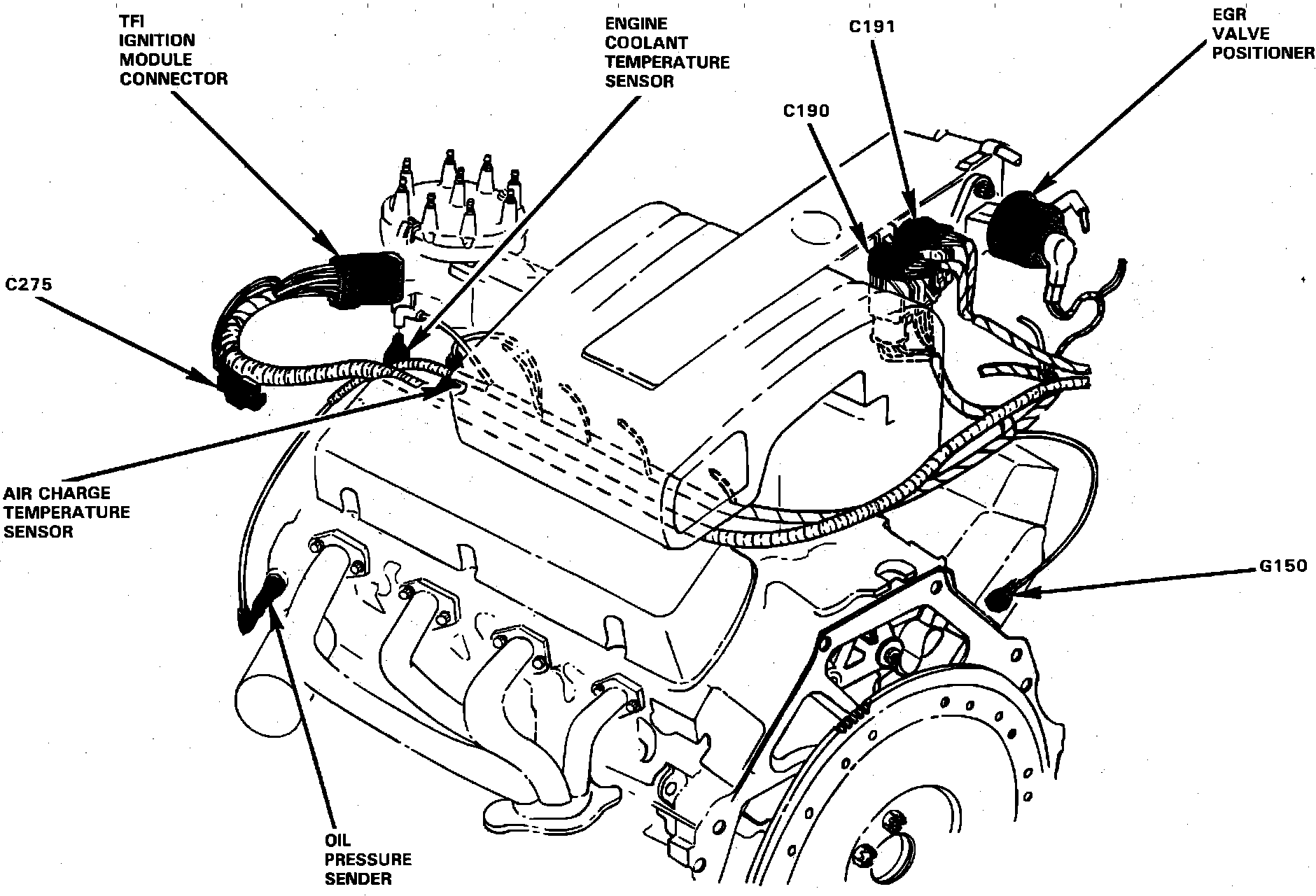
Coolant Temperature Sensor/Switch (For Computer): Locations
LH Side Of Engine.:
RH Side Of Engine.:
Top Front Of Engine
Applicable to: V8-302/5.0L Engine