Curiosii for ever!
: Car repair manuals for everyone.
Home
>>
Ford
>>
1988
>>
Mustang L4-140 2.3L SOHC
>>
Repair and Diagnosis
>>
Specifications
>>
Mechanical Specifications
>>
Engine
>>
System Specifications
>>
Cylinder Head Assembly
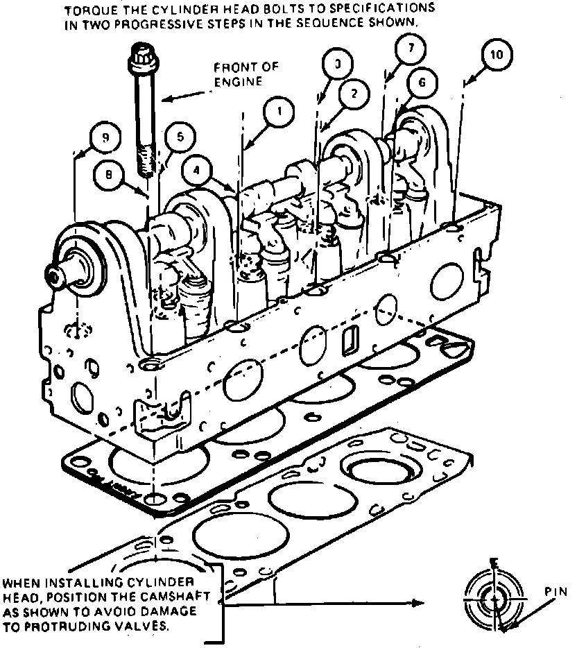
Cylinder Head Assembly
Cylinder head installation: