Curiosii for ever!
: Car repair manuals for everyone.
Home
>>
Ford
>>
1987
>>
Thunderbird L4-140 2.3L SOHC Turbo
>>
Repair and Diagnosis
>>
Powertrain Management
>>
Computers and Control Systems
>>
Integrated Control Relay Module
>>
Diagrams
>>
Electrical Diagrams
Electrical Diagrams
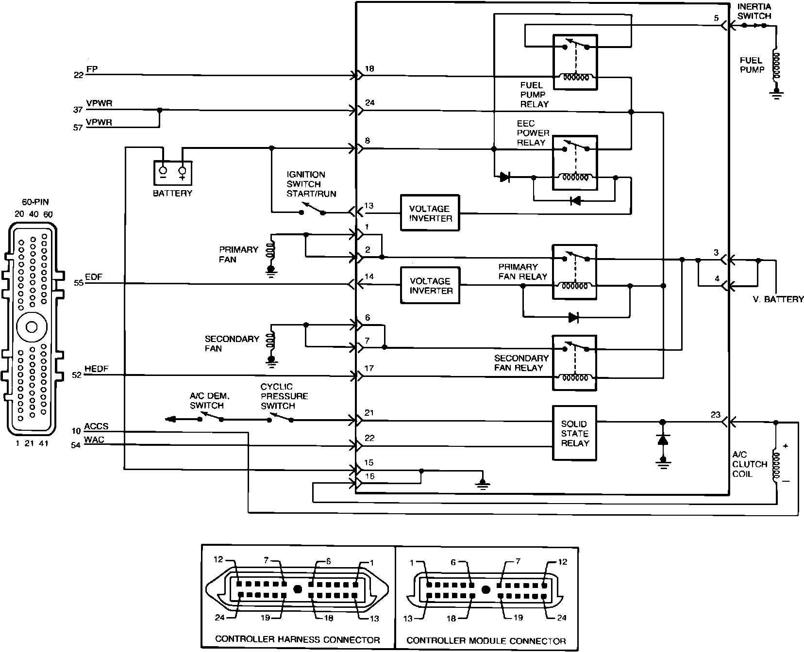
Fig. 299 EEC-IV integrated controller wiring diagram. 1987 4-140 EFI turbocharged engine:
Fig. 301 EEC-IV integrated controller pin usage. 1987 4-140 EFI turbocharged engine: