Curiosii for ever!
: Car repair manuals for everyone.
Home
>>
Ford
>>
1987
>>
Thunderbird L4-140 2.3L SOHC Turbo
>>
Repair and Diagnosis
>>
Heating and Air Conditioning
>>
Control Module HVAC
>>
Diagrams
>>
Electrical Diagrams
Electrical Diagrams
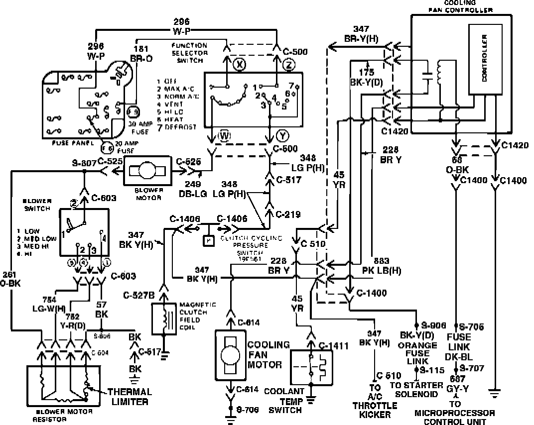
Cooling fan controller wiring circuit. Less auto. temp. control system (ATCS):