Curiosii for ever!
: Car repair manuals for everyone.
Home
>>
Ford Truck
>>
2012
>>
Transit Connect L4-2.0L
>>
Repair and Diagnosis
>>
Engine, Cooling and Exhaust
>>
Engine
>>
Service and Repair
>>
Removal and Replacement
>>
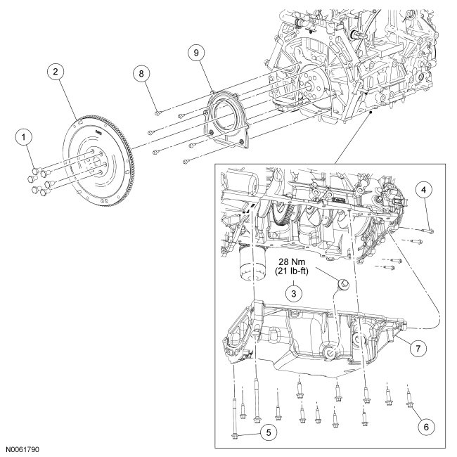
Lower End Components - Exploded View
Lower End Components - Exploded View
Lower End Components - Exploded View
Crankshaft Pulley and Crankshaft Front Seal
Flexplate and Crankshaft Rear Seal With Retainer Plate