Curiosii for ever!: Car repair manuals for everyone.

Pinpoint Test C: Select Shift Does Not Operate Correctly




External Controls

Pinpoint Tests

PINPOINT TEST C : SELECT SHIFT DOES NOT OPERATE CORRECTLY

C1 TEST THE PADDLE SHIFTER CIRCUITS FOR AN OPEN

NOTE: Both RH and LH paddle shifter connectors are the same and share the same circuits.

- Remove the paddle shifter. Refer to Selector Lever- Paddle Shift .

- For vehicles equipped with a 3.5L engine, disconnect PCM C175B.

- For vehicles equipped with a 3.5L engine, disconnect PCM C175T.

- For vehicles equipped with a 3.5L Gasoline Turbocharged Direct Injection (GTDI) engine, disconnect PCM C1381B.

- For vehicles equipped with a 3.5L engine, measure the resistance between the paddle shifter connector, harness side and the PCM C175B and C175T, harness side using the following chart:

Paddle Shifter Connector Function/Circuit PCM Connector Paddle Shifter Connector Pin 1 Upshift Signal/CET43 (GY) C175T-42 Paddle Shifter Connector Pin 2 Ground Supply/RE407 (YE/VT) C175B-58 Paddle Shifter Connector Pin 3 Downshift Signal/CET42 (GN/VT) C175T-44






- For vehicles equipped with a 3.5L GTDI (Gasoline Turbocharged Direct Injection) engine, measure the resistance between the paddle shifter connector, harness side and the PCM C1381B, harness side using the following chart:

Paddle Shifter Connector Function/Circuit PCM Connector Paddle Shifter Connector Pin 1 Upshift Signal/CET43 (GY) C1381B-23 Paddle Shifter Connector Pin 2 Ground Supply/RE407 (YE/VT) C1381B-56 Paddle Shifter Connector Pin 3 Downshift Signal/CET42 (GN/VT) C1381B-24






Is the resistance less than 5 ohms?

Yes
GO to C4.

No
GO to C2.

C2 TEST THE STEERING WHEEL WIRING HARNESS PADDLE SHIFTER CIRCUITS FOR AN OPEN

- Disconnect: Steering Wheel Internal Wiring Harness C218B.

- Measure the resistance between the paddle shifter connector, harness side and the steering wheel internal wiring harness C218B, harness side using the following chart:

Paddle Shifter Connector Pin Number Circuit Function (Color) Steering Wheel C218B Pin Number 1 Upshift signal (VT/OG) 6 2 Ground supplied from PCM (GY) 2 3 Downshift signal (YE/RD) 12






Is the resistance less than 5 ohms?

Yes
GO to C3.

No
INSTALL a new steering wheel.

C3 TEST THE CLOCKSPRING INTERNAL PADDLE SHIFTER CIRCUITS FOR AN OPEN

- Remove the steering column shroud.

- Disconnect: Clockspring C218A.

- Measure the resistance of the paddle shifter circuits through the clockspring, using the following chart:

Clockspring Pin Number C218B End Component Side Circuit Function Clockspring Pin Number C218A End Component Side 6 Upshift signal 3 2 Ground supplied from PCM 7 12 Downshift signal 11






Is the resistance less than 5 ohms?

Yes
REPAIR the circuit in question between clockspring C218A and the PCM connector for an open.

No
INSTALL a new clockspring.

C4 TEST THE PADDLE SHIFTER SIGNAL CIRCUITS FOR A SHORT TO GROUND

- Measure the resistance between the paddle shifter connector, harness side and ground using the following chart:

Paddle Shifter Connector Function/Circuit Paddle Shifter Connector Pin 1 Upshift Signal/CET43 (GY) Paddle Shifter Connector Pin 3 Downshift Signal/CET42 (GN/VT)






Is the resistance greater than 10,000 ohms?

Yes
GO to C6.

No
GO to C5.

C5 TEST THE STEERING WHEEL WIRING HARNESS PADDLE SHIFTER SIGNAL CIRCUITS FOR A SHORT TO GROUND

- Disconnect: Steering Wheel Internal Wiring Harness C218B.

- Measure the resistance between the paddle shifter connector, harness side and ground using the following chart:

Paddle Shifter Connector Function/Circuit Paddle Shifter Connector Pin 1 Upshift Signal/CET43 (GY) Paddle Shifter Connector Pin 3 Downshift Signal/CET42 (GN/VT)






Is the resistance greater than 10,000 ohms?

Yes
REPAIR the circuit in question between clockspring C218A and the PCM connector for a short.

No
INSTALL a new steering wheel.

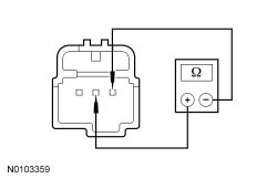
C6 CHECK THE PADDLE SHIFTER

- Measure the resistance between the pins 2 and 1, component side while cycling the paddle shifter to the upshift position.





- Measure the resistance between the pins 2 and 3, component side while cycling the paddle shifter to the downshift position.





Is the resistance less than 5 ohms when the paddle shifter is in the shift position and greater than 10,000 ohms when the paddle shifter is released?

Yes
INSTALL a new PCM. RECONNECT all components. TEST the system for normal operation.

No
INSTALL a new paddle shifter. REFER to Selector Lever - Paddle Shift .