Curiosii for ever!: Car repair manuals for everyone.

Pinpoint Test I: The Parking Aid Module (PAM) Does Not Respond To The Scan Tool




Communications Network

Pinpoint Test I: The Parking Aid Module (PAM) Does Not Respond To The Scan Tool

Refer to Wiring Diagrams Set 14, Module Communications Network for schematic and connector information. Electrical Diagrams

Refer to Wiring Diagrams Set 131, Parking Aid for schematic and connector information. Electrical Diagrams

Normal Operation

The Parking Aid Module (PAM) communicates with the scan tool through the High Speed Controller Area Network (HS-CAN).

This pinpoint test is intended to diagnose the following:

- Fuse

- Wiring, terminals or connectors

- PAM (Parking Aid Module)

PINPOINT TEST I : THE PAM (Parking Aid Module) DOES NOT RESPOND TO THE SCAN TOOL

NOTICE: Use the correct probe adapter(s) when making measurements. Failure to use the correct probe adapter(s) may damage the connector.

NOTE: Failure to disconnect the battery when instructed will result in false resistance readings.

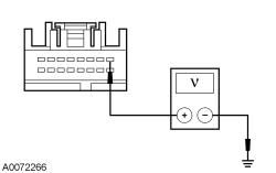
I1 CHECK THE PAM (Parking Aid Module) VOLTAGE SUPPLY CIRCUIT FOR AN OPEN

- Ignition OFF.

- Disconnect: PAM (Parking Aid Module) C3267.

- Ignition ON.

- Measure the voltage between the PAM (Parking Aid Module) C3267-1, circuit CBP35 (YE/GY), harness side and ground.





Is the voltage greater than 10 volts?

Yes
GO to I2.

No
VERIFY the Smart Junction Box (SJB) fuse 35 (10A) is OK. If OK, REPAIR the circuit. If not OK, REFER to the Wiring Diagrams to identify the possible causes of the circuit short. TEST the system for normal operation. Electrical Diagrams

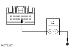
I2 CHECK THE PAM (Parking Aid Module) GROUND CIRCUIT FOR AN OPEN

- Ignition OFF.

- Disconnect: Negative Battery Cable.

- Measure the resistance between the PAM (Parking Aid Module) C3267-4, circuit GD145 (BK/BU), harness side and ground.





Is the resistance less than 5 ohms?

Yes
GO to I3.

No
REPAIR the circuit. CONNECT the negative battery cable. TEST the system for normal operation.

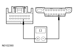
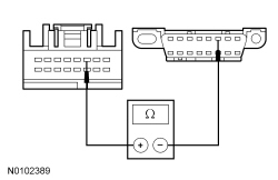
I3 CHECK THE HS-CAN (High Speed Controller Area Network) CIRCUITS BETWEEN THE PAM (Parking Aid Module) AND THE DLC (Data Link Connector) FOR AN OPEN

- Measure the resistance between the PAM (Parking Aid Module) C3267-3, circuit VDB04 (WH/BU), harness side and the Data Link Connector (DLC) C251-6, circuit VDB04 (WH/BU), harness side.





- Measure the resistance between the PAM (Parking Aid Module) C3267-11, circuit VDB05 (WH), harness side and the DLC (Data Link Connector) C251-14, circuit VDB05 (WH), harness side.





Are the resistances less than 5 ohms?

Yes
CONNECT the negative battery cable. GO to I4.

No
REPAIR the circuit in question. CONNECT the negative battery cable. CLEAR the DTCs. REPEAT the network test with the scan tool.

I4 CHECK FOR CORRECT PAM (Parking Aid Module) OPERATION

- Disconnect the PAM (Parking Aid Module) connector.

- Check for:
- corrosion

- damaged pins

- pushed-out pins


- Connect the PAM (Parking Aid Module) connector and make sure it seats correctly.

- Operate the system and verify the concern is still present.

Is the concern still present?

Yes
INSTALL a new PAM (Parking Aid Module). CLEAR the DTCs. REPEAT the network test with the scan tool.

No
The system is operating correctly at this time. The concern may have been caused by a loose or corroded connector.