Curiosii for ever!: Car repair manuals for everyone.

Test KF: Fan Control Relays



Fan Control Relays
















Cooling Fan Motor Connector





Harness Side






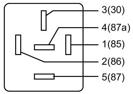
Low Fan Control (LFC) Relay Connector




Harness Side





Component side







High Fan Control (HFC) Relay Connector




Harness Side





Component side







Powertrain Control Module (PCM) Connector - For PCM connector views or reference values, refer to Reference Values.





Harness Side