Curiosii for ever!: Car repair manuals for everyone.

Pinpoint Test T: The Interior Lighting Control Module (ILCM) Does Not Respond To The Scan Tool




Communications Network

Pinpoint Test T: The Interior Lighting Control Module (ILCM) Does Not Respond To The Scan Tool

Normal Operation

The Interior Lighting Control Module (ILCM) communicates with the scan tool through the Medium Speed Controller Area Network (MS-CAN).

This pinpoint test is intended to diagnose the following:

- Fuse

- Wiring, terminals or connectors

- ILCM (Interior Lighting Control Module)

PINPOINT TEST T : THE ILCM (Interior Lighting Control Module) DOES NOT RESPOND TO THE SCAN TOOL

NOTICE: Use the correct probe adapter(s) when making measurements. Failure to use the correct probe adapter(s) may damage the connector.
NOTE: Failure to disconnect the battery when instructed results in false resistance readings.

T1 CHECK THE ILCM (Interior Lighting Control Module) VOLTAGE SUPPLY CIRCUIT FOR AN OPEN

- Ignition OFF.

- Disconnect: ILCM (Interior Lighting Control Module) C3498.

- Ignition ON.

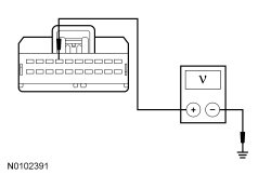
- Measure the voltage between the ILCM (Interior Lighting Control Module) C3498-7, circuit CBX07 (GN/RD), harness side and ground.






Is the voltage greater than 10 volts?

Yes
GO to T2.
No
VERIFY the Body Control Module (BCM) fuse 21 (10A) is OK. If OK, REPAIR the circuit. If not OK, REFER to the Wiring Diagrams to identify the possible causes of the circuit short [1][2]Diagrams By Number.
CLEAR the DTCs. REPEAT the network test with the scan tool.

T2 CHECK THE ILCM (Interior Lighting Control Module) GROUND CIRCUIT FOR AN OPEN

- Ignition OFF.

- Disconnect: Negative Battery Cable.

- Measure the resistance between the ILCM (Interior Lighting Control Module) C3498-10, circuit GD908 (BK), harness side and ground.






Is the resistance less than 5 ohms?

Yes
GO to T3.
No
REPAIR the circuit. CONNECT the negative battery cable. CLEAR the DTCs. REPEAT the network test with the scan tool.

T3 CHECK THE MS-CAN (Medium Speed Controller Area Network) CIRCUITS BETWEEN THE ILCM (Interior Lighting Control Module) AND THE DLC (Data Link Connector) FOR AN OPEN

- Measure the resistance between the ILCM (Interior Lighting Control Module) C3498-17, circuit VDB06 (GY/OG), harness side and the Data Link Connector (DLC) C251-3, circuit VDB06 (GY/OG), harness side.






- Measure the resistance between the ILCM (Interior Lighting Control Module) C3498-18, circuit VDB07 (VT/OG), harness side and the DLC (Data Link Connector) C251-11, circuit VDB07 (VT/OG), harness side.






Are the resistances less than 5 ohms?

Yes
CONNECT the negative battery cable. GO to T4.
No
REPAIR the circuit in question. CONNECT the negative battery cable. CLEAR the DTCs. REPEAT the network test with the scan tool.

T4 CHECK FOR CORRECT ILCM (Interior Lighting Control Module) OPERATION

- Disconnect the ILCM (Interior Lighting Control Module) connector.

- Check for:
- corrosion

- damaged pins

- pushed-out pins


- Connect the ILCM (Interior Lighting Control Module) connector and make sure it seats correctly.

- Operate the system and verify the concern is still present.

Is the concern still present?

Yes
INSTALL a new ILCM (Interior Lighting Control Module). CLEAR the DTCs. REPEAT the network test with the scan tool.
No
The system is operating correctly at this time. The concern may have been caused by a loose or corroded connector.