Curiosii for ever!: Car repair manuals for everyone.

Pinpoint Test A: The PCM Does Not Respond To The Scan Tool




Communications Network

Pinpoint Test A: The PCM Does Not Respond To The Scan Tool


Normal Operation

The PCM communicates with the scan tool through the High Speed Controller Area Network (HS-CAN).

This pinpoint test is intended to diagnose the following:

- Wiring, terminals or connectors

- PCM

PINPOINT TEST A : THE PCM DOES NOT RESPOND TO THE SCAN TOOL

NOTICE: Use the correct probe adapter(s) when making measurements. Failure to use the correct probe adapter(s) may damage the connector.
NOTE: Failure to disconnect the battery when instructed results in false resistance readings.

A1 VERIFY IF OTHER HS-CAN (High Speed Controller Area Network) MODULES PASS THE NETWORK TEST

- Enter the following diagnostic mode on the scan tool: Network Test.

- In the LH pane of the IDS (Integrated Diagnostic System) network test display screen, verify whether any HS-CAN (High Speed Controller Area Network) modules passed the network test.

Is the text "pass" or a DTC listed next to any of the following modules (if equipped): 4X4 control module, ABS module, Accessory Protocol Interface Module (APIM), Body Control Module (BCM), Instrument Panel Cluster (IPC), Occupant Classification System (OCS) module, Parking Aid Module (PAM), Power Steering Control Module (PSCM), Restraints Control Module (RCM), Steering Column Control Module (SCCM), Trailer Brake Control (TBC) module or PCM?

Yes
If "pass" or a DTC was listed next to the PCM, a network fault is not currently present. GO to Pinpoint Test Y to diagnose a HS-CAN (High Speed Controller Area Network) fault condition Pinpoint Test Y: No High Speed Controller Area Network (HS-CAN) Communication, All Modules Are Not Responding.

If "pass" or a DTC was listed next to one or more modules other than the PCM, GO to A2.
No
No modules are currently communicating on the HS-CAN (High Speed Controller Area Network). GO to Pinpoint Test Y to diagnose no HS-CAN (High Speed Controller Area Network) communication Pinpoint Test Y: No High Speed Controller Area Network (HS-CAN) Communication, All Modules Are Not Responding.

A2 VERIFY COMPUTERS AND CONTROL SYSTEMS INFORMATION PINPOINT TEST QA HAS BEEN CARRIED OUT

- Verify that pinpoint test QA has been carried out.

Has pinpoint test QA been carried out?

Yes
GO to A3.
No
REFER to Computers and Control Systems Information, Pinpoint Tests, pinpoint test QA to diagnose no communication with the PCM.

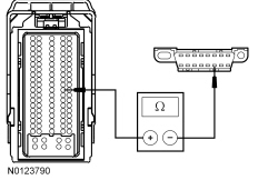
A3 CHECK THE HS-CAN (High Speed Controller Area Network) TERMINATION RESISTANCE

- Ignition OFF.

- Disconnect: Negative Battery Cable.

- Measure the resistance between the Data Link Connector (DLC) C251-6, circuit VDB04 (WH/BU), harness side and the DLC (Data Link Connector) C251-14, circuit VDB05 (WH), harness side.






Is the resistance between 54 and 66 ohms?

Yes
CONNECT the negative battery cable. GO to A6.
No
For the 3.7L, 5.0L or 6.2L engine GO to A4.

For the 3.5L engine GO to A5.

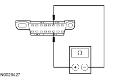
A4 CHECK THE HS-CAN (High Speed Controller Area Network) CIRCUITS BETWEEN THE PCM AND THE DLC (Data Link Connector) FOR AN OPEN

- Disconnect: PCM C175B or C1381B.

- Measure the resistance between the PCM C175B-59 or C1381B-59, circuit VDB04 (WH/BU), harness side and the DLC (Data Link Connector) C251-6, circuit VDB04 (WH/BU), harness side.






- Measure the resistance between the PCM C175B-58 or C1381B-58, circuit VDB05 (WH), harness side and the DLC (Data Link Connector) C251-14, circuit VDB05 (WH), harness side.






Are the resistances less than 5 ohms?

Yes
CONNECT the negative battery cable. GO to A6.
No
REPAIR the circuit in question. CONNECT the negative battery cable. CLEAR the DTCs. REPEAT the network test with the scan tool.

A5 CHECK THE HS-CAN (High Speed Controller Area Network) CIRCUITS BETWEEN THE PCM AND THE DLC (Data Link Connector) FOR AN OPEN

- Disconnect: PCM C1551B.

- Measure the resistance between the PCM C1551B-69, circuit VDB04 (WH/BU), harness side and the DLC (Data Link Connector) C251-6, circuit VDB04 (WH/BU), harness side.






- Measure the resistance between the PCM C1551B-68, circuit VDB05 (WH), harness side and the DLC (Data Link Connector) C251-14, circuit VDB05 (WH), harness side.






Are the resistances less than 5 ohms?

Yes
CONNECT the negative battery cable. GO to A6.
No
REPAIR the circuit in question. CONNECT the negative battery cable. CLEAR the DTCs. REPEAT the network test with the scan tool.

A6 CHECK FOR CORRECT PCM OPERATION

- Disconnect all the PCM connectors.

- Check for:
- corrosion

- damaged pins

- pushed-out pins


- Connect all the PCM connectors and make sure they seat correctly.

- Operate the system and verify the concern is still present.

Is the concern still present?

Yes
INSTALL a new PCM. CLEAR the DTCs. REPEAT the network test with the scan tool.
No
The system is operating correctly at this time. The concern may have been caused by a loose or corroded connector.