Curiosii for ever!
: Car repair manuals for everyone.
Home
>>
Ford Truck
>>
2012
>>
Expedition 4WD V8-5.4L
>>
Repair and Diagnosis
>>
Diagrams
>>
Exploded Views
>>
Engine Lubrication
Engine Lubrication
Engine Lubrication
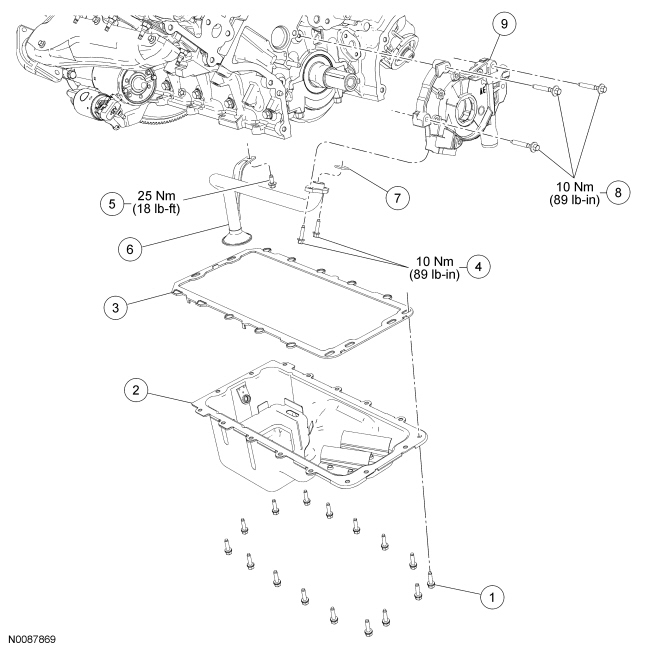
Components - Exploded View