Pinpoint Test K: The Audio Digital Signal Processing (DSP) Module Does Not Respond To The Scan Tool
Communications Network
Pinpoint Test K: The Audio Digital Signal Processing (DSP) Module Does Not Respond To The Scan Tool
Refer to Wiring Diagram Set 14, Module Communications Network for schematic and connector information Electrical Diagrams.
Refer to Wiring Diagram Set 130, Audio System/Navigation for schematic and connector information Electrical Diagrams.
Normal Operation
The audio Digital Signal Processing (DSP) module communicates with the scan tool through the Medium Speed Controller Area Network (MS-CAN).
This pinpoint test is intended to diagnose the following:
- Fuses
- Wiring, terminals or connectors
- Audio DSP (Digital Signal Processing) module
PINPOINT TEST K : THE AUDIO DSP (Digital Signal Processing) MODULE DOES NOT RESPOND TO THE SCAN TOOL
NOTICE: Use the correct probe adapter(s) when making measurements. Failure to use the correct probe adapter(s) may damage the connector.
NOTE: Failure to disconnect the battery when instructed will result in false resistance readings.
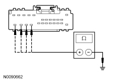
K1 CHECK THE AUDIO DSP (Digital Signal Processing) MODULE VOLTAGE SUPPLY CIRCUITS FOR AN OPEN
- Ignition OFF.
- Disconnect: Audio DSP (Digital Signal Processing) Module C2364A.
- Ignition ON.
- Measure the voltage between the audio DSP (Digital Signal Processing) module, harness side and ground as follows:
Connector-Pin Circuit C2364A-9 SBP38 (BN/RD) C2364A-10 SBP38 (BN/RD) C2364A-11 SBP40 (VT/RD) C2364A-12 SBP40 (VT/RD)
Are the voltages greater than 10 volts?
Yes
GO to K2.
No
VERIFY the Smart Junction Box (SJB) fuse 38 (20A) or fuse 40 (20A) is OK. If OK, REPAIR the circuit in question. If not OK, REFER to the Wiring Diagrams to identify the possible causes of the circuit short Electrical Diagrams. CLEAR the DTCs. REPEAT the network test with the scan tool.
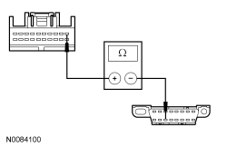
K2 CHECK THE AUDIO DSP (Digital Signal Processing) MODULE GROUND CIRCUITS FOR AN OPEN
- Ignition OFF.
- Disconnect: Negative Battery Cable.
- Measure the resistance between the audio DSP (Digital Signal Processing) module, harness side and ground as follows:
Connector-Pin Circuit C2364A-21 GD114 (BK/BU) C2364A-22 GD114 (BK/BU) C2364A-23 GD114 (BK/BU) C2364A-24 GD114 (BK/BU)
Are the resistances less than 5 ohms?
Yes
GO to K3.
No
REPAIR the circuit. CONNECT the negative battery cable. CLEAR the DTCs. REPEAT the network test with the scan tool.
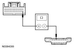
K3 CHECK THE MS-CAN (Medium Speed Controller Area Network) CIRCUITS BETWEEN THE DLC (Data Link Connector) AND THE
AUDIO DSP (Digital Signal Processing) MODULE FOR AN OPEN
- Disconnect: Audio DSP (Digital Signal Processing) Module C2364C.
- Measure the resistance between the audio DSP (Digital Signal Processing) module C2364C-11, circuit VDB06 (GY/OG), harness side and the DLC (Data Link Connector) C251-3, circuit VDB06 (GY/OG), harness side.
- Measure the resistance between the audio DSP (Digital Signal Processing) module C2364C-1, circuit VDB07 (VT/OG), harness side and the DLC (Data Link Connector) C251-11, circuit VDB07 (VT/OG), harness side.
Are the resistances less than 5 ohms?
Yes
CONNECT the negative battery cable. GO to K4.
No
REPAIR the circuit in question. CONNECT the negative battery cable. CLEAR the DTCs. REPEAT the network test with the scan tool.
K4 CHECK FOR CORRECT AUDIO DSP (Digital Signal Processing) MODULE OPERATION
- Disconnect all the audio DSP (Digital Signal Processing) module connectors.
- Check for:
- corrosion
- damaged pins
- pushed-out pins
- Connect all the audio DSP (Digital Signal Processing) module connectors and make sure they seat correctly.
- Operate the system and verify the concern is still present.
Is the concern still present?
Yes
INSTALL a new audio DSP (Digital Signal Processing) module. CLEAR the DTCs. REPEAT the network test with the scan tool.
No
The system is operating correctly at this time. The concern may have been caused by a loose or corroded connector.