Curiosii for ever!: Car repair manuals for everyone.

Pinpoint Test K: The Air Conditioning Compressor Module (ACCM) Does Not Respond To The Scan Tool




Communications Network

Pinpoint Test K: The Air Conditioning Compressor Module (ACCM) Does Not Respond To The Scan Tool

Refer to Wiring Diagram Set 14, Module Communications Network for schematic and connector information Electrical Diagrams.

Refer to Wiring Diagram Set 55, Automatic Climate Control System for schematic and connector information Electrical Diagrams.

NOTE: The Air Conditioning Compressor Module (ACCM) is present on hybrid vehicles only.

Normal Operation

The ACCM (Air Conditioning Compressor Module) communicates with the scan tool through the High Speed Controller Area Network (HS-CAN).

This pinpoint test is intended to diagnose the following:

- Fuse

- Wiring, terminals or connectors

- ACCM (Air Conditioning Compressor Module)

PINPOINT TEST K : THE ACCM (Air Conditioning Compressor Module) DOES NOT RESPOND TO THE SCAN TOOL

NOTICE: Use the correct probe adapter(s) when making measurements. Failure to use the correct probe adapter(s) may damage the connector.

NOTE: Failure to disconnect the battery when instructed will result in false resistance readings.

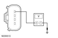
K1 CHECK THE ACCM (Air Conditioning Compressor Module) VOLTAGE SUPPLY CIRCUIT FOR AN OPEN

- Ignition OFF.

- Disconnect: ACCM (Air Conditioning Compressor Module) C1469A.

- Ignition ON.

- Measure the voltage between the ACCM (Air Conditioning Compressor Module) C1469A-1, circuit CH401 (VT/WH), harness side and ground.





Is the voltage greater than 10 volts?

Yes
GO to K2.

No
VERIFY the Battery Junction Box (BJB) fuse 27 (10A) is OK. If OK, REPAIR the circuit in question. If not OK, REFER to the Wiring Diagrams to identify the possible causes of the circuit short Electrical Diagrams. CLEAR the DTCs. REPEAT the network test with the scan tool.

K2 CHECK THE ACCM (Air Conditioning Compressor Module) GROUND CIRCUIT FOR AN OPEN

- Ignition OFF.

- Disconnect: Negative Battery Cable.

- Measure the resistance between the ACCM (Air Conditioning Compressor Module) C1469A-4, circuit GD123 (BK/GY), harness side and ground.





Is the resistance less than 5 ohms?

Yes
GO to K3.

No
REPAIR the circuit. CONNECT the negative battery cable. CLEAR the DTCs. REPEAT the network test with the scan tool.

K3 CHECK THE HS-CAN (High Speed Controller Area Network) CIRCUITS BETWEEN THE ACCM (Air Conditioning Compressor Module) AND THE DLC (Data Link Connector) FOR AN OPEN

- Measure the resistance between the ACCM (Air Conditioning Compressor Module) C1469A-2, circuit VDB04 (WH/BU), harness side and the Data Link Connector (DLC) C251-6, circuit VDB04 (WH/BU), harness side.





- Measure the resistance between the ACCM (Air Conditioning Compressor Module) C1469A-3, circuit VDB05 (WH), harness side and the DLC (Data Link Connector) C251-14, circuit VDB05 (WH), harness side.





Are the resistances less than 5 ohms?

Yes
CONNECT the negative battery cable. GO to K4.

No
REPAIR the circuit in question. CONNECT the negative battery cable. CLEAR the DTCs. REPEAT the network test with the scan tool.

K4 CHECK FOR CORRECT ACCM (Air Conditioning Compressor Module) OPERATION

- Disconnect the ACCM (Air Conditioning Compressor Module) connector.

- Check for:
- corrosion

- damaged pins

- pushed-out pins


- Connect the ACCM (Air Conditioning Compressor Module) connector and make sure it seats correctly.

- Operate the system and verify the concern is still present.

Is the concern still present?

Yes
INSTALL a new ACCM (Air Conditioning Compressor Module). CLEAR the DTCs. REPEAT the network test with the scan tool.

No
The system is operating correctly at this time. The concern may have been caused by a loose or corroded connector.